Paso 6: Mantenimiento de la cuenta (con un rizo de 8-bit carry adder(ripplecarryadder.vhd) y D flops(dlfip)) flip




Otro componente importante de whack un topo es agregar 1 cada vez que hay un golpe y hacer un seguimiento de la puntuación para el jugador (de lo contrario cuál es el punto de jugar).
Vamos a utilizar un 8 bit ripple carry adder(RCA) para añadir a la partitura. El RCA va a sacar las entradas: puntuación actual, golpe, válido y de reajuste. Agregará la puntuación actual con el valor de golpe cuando válido es alto; otra cosa que no sale la cuenta como es. (Foto1)
Conector RCA salida el nuevo puntaje y una señal de éxito.
La señal de éxito es una salida que es alta cuando se agrega con éxito y tiene implicaciones muy importantes. Esto significa que el circuito ha pasado por todo el proceso de determinar si el topo ha sido golpeado o no y actualizar la puntuación actual. Esta señal se utilizará en el módulo siguiente: el conductor del LED.
Para actualizar la puntuación actual del juego, un d flip flop es necesario porque sólo se actualiza en el flanco ascendente del reloj cuando el interruptor de activación es alto. Actualización en el flanco ascendente del reloj es muy importante ya que permite tiempo para señales de propagación a través del circuito y desactivar la víbora para que no añade continuamente a sí mismo. (Foto 2)
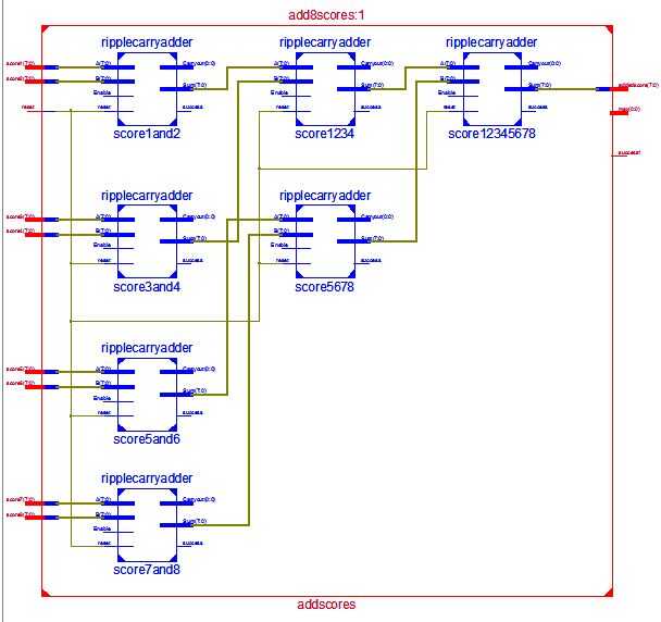
A continuación necesitamos una serpiente personalizado que tendrá 8 puntuaciones (1 para cada topo de potencial) y te dan una suma final. Esto puede lograrse tomando los terminales anteriores y sólo apilar juntos para sumar todas las cantidades. (Cuadro 3).
Después de el módulo toma 8 RCA, 8 D chanclas y un bloque de contactos personalizado a sumar las puntuaciones de 8. (Cuadro 4). Puede parecer mucho, pero es sólo un montón de bloques además puesto juntos para crear el resultado final.
Todo esto va a "score8adder.vhd" para hacer más fácil integrar junto con las otras partes.
En Resumen, utilizamos un sumador de 8 bits ondulación llevan y D chancletas para agregar cuentas.