Ruido analógico auriculares (3 / 10 paso)

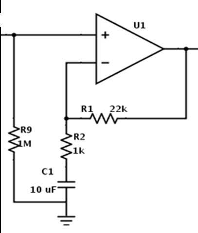
Paso 3: Mic Pre Amp

La etapa de preamplificación de micrófono se utiliza para amplificar la señal de ruido a un nivel donde realmente podemos procesar. La ganancia de esta parte realmente depende de la frecuencia de la señal entrante. En términos simples, esta etapa actúa como un amplificador de ganancia unidad para DC y un amplificador sin inversión con ganan R1/R2 (22/1 aquí) para todas las otras frecuencias. Esto es otra vez para reducir el componente DC de la señal de cancelación de ruido. El problema de DC es que causa un desplazamiento en la señal de cancelación de ruido que causa el sistema no funcione correctamente.

No invertir Amp Descripción (página 3):http://www.ti.com/lit/an/snoa621c/snoa621c.pdf
LT1056 Hoja de datos: http://cds.linear.com/docs/en/datasheet/10556fc.pdf

Artículos Relacionados

Crear un circuito sensor de luz de transpondedor analógico!

Crear un circuito sensor de luz de transpondedor analógico!

Este es un divertido proyecto para asustar a su gato, perro, compañero o vecino. Utiliza fotocélula, o luz, sensores como resistores en un circuito analógico para crear sonidos extraños. Puede usarse cualquier sensor, pero las fotocélulas son baratos
Sensores analógicos - calcular la no linealidad introducida por una carga o Pull-Down Resistor

Sensores analógicos - calcular la no linealidad introducida por una carga o Pull-Down Resistor

¿Ha tenido alguna vez esa sensación terrible que añadir una resistencia de carga o 'bajar' a su sensor está arruinando todas las lecturas analógicas?Tal vez te estás preguntando ¿por qué queremos echar a perder un circuito perfectamente bueno poniend
Acelerómetro analógico Control de un Servo

Acelerómetro analógico Control de un Servo

Se trata de un método de usar la salida de pulso cuadrado de un acelerómetro de dos ejes de Memsic para controlar un servo. Sin embargo, a diferencia de otros métodos que utilizan un dispositivo microcontrolador, te voy a mostrar cómo directamente to
Analógico PC Gaming Headset Hack

Analógico PC Gaming Headset Hack

Empecé con unos auriculares Turtle Beach Earforce XL1 que compró originalmente para el uso de la Xbox 360. El cable en el auricular estaba roto y no era usable sin reparación.Paso 1: Toma loA continuación, desmontar la unidad de control de volumen y
Digital a analógico: Cómo realizar datos como forma

Digital a analógico: Cómo realizar datos como forma

Datos están en todas partes! Es el número de aves que se pasa fuera de casa mientras caminas por la calle, es el tipo de helado sabores personas escoger en un caluroso día de verano, es todo el mundo en que vivimos. Datos pueden ser una cantidad de c
Amortiguación de ruido de los auriculares Bluetooth (15$)

Amortiguación de ruido de los auriculares Bluetooth (15$)

tenía un viejo par de auriculares de Sennheiser, y pensé podría algo divertido con ellos. Al principio quería hacer en un conjunto de auriculares de bluetooth inalámbrico recargable USB, pero hubo alguna cabida en ellos para la electrónica.Así que de
Indicador de fase lunar reloj analógico de Steampunk

Indicador de fase lunar reloj analógico de Steampunk

hice un reloj steampunk utilizando una caja de teléfono de madera antiguo, tres indicadores analógicos, switches, una ventana y un mecanismo de cuerda. El reloj muestra las horas, minutos y segundos en los relojes y cuando lo adquieres, muestra el me
Láser analógico Guitar Hero

Láser analógico Guitar Hero

ser un análogo entusiasta y amante de Guitar Hero, a veces me gustaría saber exactamente cómo funciona el juego y si me pude construyo una versión independiente. Este Instructable muestra cómo construir una variante de Guitar Hero totalmente de circu
¿Altavoces direccionales analógicos: Cómo hacer y probar diferentes tipos de Reflectores parabólicos? (TfCD)

¿Altavoces direccionales analógicos: Cómo hacer y probar diferentes tipos de Reflectores parabólicos? (TfCD)

Este instructable explica cómo hacer y probar altavoces parabólicos.El objetivo fue hacer un altavoz direccional "analógico". Con un altavoz direccional es posible apuntar a audio en un área específica, de manera que las personas dentro de esta
Velocímetro de bicicleta "Analógico"

Velocímetro de bicicleta "Analógico"

En este instructable voy a mostrar cómo hacer un velocímetro "análogo" fácil utilizando un arduino nano, un servo motor y algunos componentes extras más.Es la parte analógica del proyecto sólo en la pantalla de la velocidad, todas las de detecci
Hablando de resplandor en el oscuro 3D analógico impreso reloj

Hablando de resplandor en el oscuro 3D analógico impreso reloj

El reloj mostrará la hora analógica de 4 metros. He visto este tipo de relojes en varias encarnaciones, pero nunca vi un reloj analógico en este formato que hablaba. Este reloj anuncia la hora a intervalos de media hora y juega un mensaje cada vez qu
Robot de AAA (autónoma analógico Arduino)

Robot de AAA (autónoma analógico Arduino)

la AAA Robot es un robot perfecto para principiantes. Es versátil, fácil de construir y discute muchos de los temas entre deben aprender, incluyendo pero no limitado a interruptores de transistor, motor de sensores analógicos de nad. Este Instructabl
Vúmetro analógico y el reloj (Arduino Powered)

Vúmetro analógico y el reloj (Arduino Powered)

este proyecto trae el viejo tiempo Analog VU Meter, con la funcionalidad añadida de un reloj de aspecto aseado! Cuando apagas tu música los metros swing automáticamente en modo de reloj. Detrás de todo está el Arduino popular y fácil de usar.Esta es
Discovery™ analógico USB osciloscopio + LabVIEW

Discovery™ analógico USB osciloscopio + LabVIEW

En este instructable revisaremos cómo conectar un osciloscopio analógico Discovery™ USB con LabVIEW. Para ello usaremos un proyecto de LabVIEW llamado LabForms 2.0. El proyecto le permite acceder a las funcionalidades de alcance y wavegen analógicas