Robot de pintura china tradicional (1 / 3 paso)

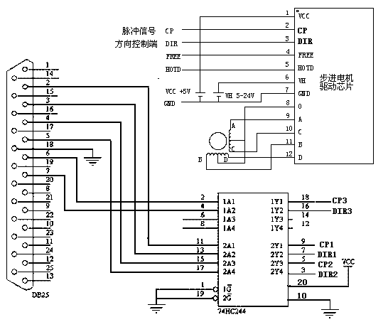
Paso 1: Circuito eléctrico

La parte electrónica paso por pasos la actuación de maquinaria eléctrica especial de la viruta por tres para accionar la maquinaria eléctrica tres, chip pulso CP (boca de la impresora) salidas con revés señal DIR por el ordenador y la boca. Para prevenir el 12V corriente eléctrica al flujo en retroceso es a cargo de la Junta para hacer la computadora y la almohadilla bucal. VB con pedazo de 74HC244 no puede controlar el puerto de impresora para accionar el módulo con el equipo hipotético "WinIo.dll" la salida (WinIo es dinámica entrega, pero es capaz de conexión en el entorno de edición de VB).

Artículos Relacionados

Brazo de Robot de pintura puntillista

Brazo de Robot de pintura puntillista

No puede ser un Da Vinci o Kahlo, pero este robot de pintura paquetes bastante el golpe artístico para su tamaño. En este Instructable, mal mostrará como fue desde el concepto hasta la finalización y había construido un brazo de robot de pintura util
Robot de pintura de la ventana (arduino, procesamiento, acelerómetro)

Robot de pintura de la ventana (arduino, procesamiento, acelerómetro)

la idea de este proyecto vino de uno de mis favoritos ' ibles: el polargraph. ¿Me encantó el estilo de dibujo y pensamiento lo guay sería hacerlo en el lado de un edificio? Por desgracia los retos para establecer una polargraph tan grande con un pres
Artibot - un robot de pintura de retrato

Artibot - un robot de pintura de retrato

proyecto de nuestro equipo para Geekcon 2012. La idea era tratar de hacer algo que pinta una imagen utilizando arduino y servo motores (ya que tenía el hardware) y el pensamiento detrás de él era el menos preciso será, mejor ya que realmente creo art
Quipt: Doma Robots industriales

Quipt: Doma Robots industriales

Robots industriales son verdaderamente increíbles máquinas CNC – – no sólo por su velocidad, potencia y precisión, sino porque también son altamente adaptables. A diferencia de otras máquinas CNC, cuando usted pone una herramienta en el extremo del r
"Tortuga morada" pintura de seda

"Tortuga morada" pintura de seda

Si siempre has querido tratar de pintura en seda y amor tortugas en tonos morados y azules, entonces esto fácil instructable podría ser para usted.Yo he estado enseñando pintura en seda durante 25 años + y todavía conseguir emocionado por los resulta
Ornamento de blinky LED "robot" circuito suave

Ornamento de blinky LED "robot" circuito suave

aprende a hacer un robot fácil y rápido adorno completo con panel de blinky torso! Este es un circuito muy sencillo y requiere habilidades de costura para principiantes y no electrónica experiencia.Paso 1: Reunir los materiales y herramientas Se nece
Automatizado de pintura mármol!!!!!!

Automatizado de pintura mármol!!!!!!

ObjetivoHacer una mano de robot crear pintura remolino basado en comandos de voz. Remolino de pintura es una clase de arte, donde en colocar gotitas de pintura en agua y sumergir el papel en la superficie del agua, el papel adorna los patrones hace q
3D Instructables Robot impresos

3D Instructables Robot impresos

Se trata de una impresión 3d del Instructables Robot, hay cuatro piezas que montan para crearlo, dos piernas, un cuerpo y la cabeza. Yo estoy entrando en el desafío RobotEncontrar archivos STL aquí en thingiversePaso 1: Diseñar e imprimir las piezas
Robot-O Awesome O disco-O el Robot de discoteca (decoración)

Robot-O Awesome O disco-O el Robot de discoteca (decoración)

Mi sobrina va a tener una fiesta de cumpleaños temática Disco, y como luz discoteca decoraciones puede ser costoso, decidí hacerme algunas decoraciones frescos.  Durante las vacaciones, era un TV comercial cuenta con una discoteca robot http://www.yo
Pendientes geek: Robot de Instructables, Totoro, Gir, Trifuerza y Wiimotes!

Pendientes geek: Robot de Instructables, Totoro, Gir, Trifuerza y Wiimotes!

que quería hacer unos pendientes muy funky y personalizados para dar a mi hermanita. Ella ama los clásicos--Zelda, Totoro, Nintendo, Invader Zim, Robots, etc. y generalmente le encanta llevar cualquier cosa que grita en voz alta y orgullosos al mundo
Se aferra ventana estática de Instructables Robot

Se aferra ventana estática de Instructables Robot

Me preguntaba cuál será mi siguiente instructivo y subió con una se aferra de la ventana estática de la robusteza de Instructables. Se aferra ventana estática es adhesivas gratis. Se adhieren a la superficie lisa y plana, por sus propiedades estática
Modificar un iRobot Create a pintura

Modificar un iRobot Create a pintura

este es un proyecto de robótica que probablemente podría ser completado por alguien que no tiene experiencia con los robots en todas. Lo digo porque antes de empezar, yo no tenía experiencia con robots. O escribir programas. De hecho, sabía cómo pint
¿Qué es la pintura miniatura y cómo crearlo?

¿Qué es la pintura miniatura y cómo crearlo?

Lo que ves en esta foto llaman pintura de miniatura. Hay mucho de pasos y técnicas para crear tal esta imagen y en este artículo que intentamos explicar algunas partes de este arte.Paso 1: Familiaridad con el arte en miniatura Antes de empezar a toma
Plato chino tradicional - Kung Pao pollo

Plato chino tradicional - Kung Pao pollo

IntroducciónKung Pao pollo es un plato tradicional de China y famosa por su riqueza y variedad. Este es un plato delicioso con sabor dulce y picante. Y es fácil de cocinar por ti mismo! Podría comprar la mayoría de los ingredientes de la mayoría de l