Robot de PC nueva (5 / 8 paso)

Paso 5: tren de potencia

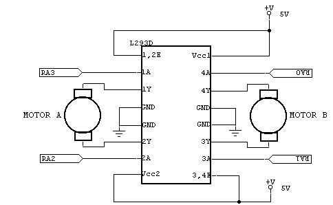
Código para el control de los motores ya ha sido probado (usando parcon.c)
y está trabajando. Utilizando una conexión de cableado, ya probado socket de cliente/servidor para comunicarse con y controlar la unidad de programación. Debe ser mucho más eficientes y posiblemente más seguro que usar un servidor web por sí...

Ruedas motrices provenían de dos carros de Tonka RC que disecado.

Artículos Relacionados

Cómo construir un Robot - el BeetleBot v2 (nuevo)

Cómo construir un Robot - el BeetleBot v2 (nuevo)

este es el escarabajo robot instructables revisitado estilo cazadores de mitos!Originalmente hice un instructables sobre mi versión de robot escarabajo 1.Ahora es tiempo de mostrarle una nueva versión de este maravilloso robot. Esta nueva versión es
Un infrarrojo de Arduino controlado y Robot de evitación del obstáculo

Un infrarrojo de Arduino controlado y Robot de evitación del obstáculo

Hola todo el mundo,Este Instructables se divide en dos fases, que hace conveniente para el principiante y los diseñadores de robots intermedios.La primera fase abarca el uso de la placa de arduino nano solamente como controlador. Con esto, vamos a co
Plataforma experimental de Robot

Plataforma experimental de Robot

el objetivo de este robot es que me dé una plataforma ampliable y personalizable por lo que no necesitaría construir un nuevo chasis robot para cada nueva idea que quiero probar. He estado trabajando en este robot y casi un año.Quiero capaz de entrar
Codificadores de Tetrix FTC

Codificadores de Tetrix FTC

Puma robótica 4251 y esto es para el programa de patrocinio de Instructables. Este Instructable cubrirá el montaje y uso básico en RobotC de los codificadores digitales utilizados en la FTC. Los codificadores permiten RobotC construido en PID y contr
Poner juntos el Roboduino

Poner juntos el Roboduino

es este Instructable sobre cómo armar el CuriousInventor.com Roboduino que se puede encontrar en: http://www.curiousinventor.com/kits/roboduinoLa Roboduino es una Freeduino (software de Arduino compatible) microcontrolador diseñado para la robótica.
Una nueva manera de hacer un Robot de aleación de aluminio

Una nueva manera de hacer un Robot de aleación de aluminio

con las estructuras mecánicas modularizadas, módulos electrónicos y programación Arduino, hice este robot de aleación de aulminium con Makeblock. (Ahora están en Kickstarter, y existen muchos kits de súper valor.)Paso 1: herramientas Herramientas nec
IoT - controlar un Raspberry Pi Robot por internet con HTML y shell scripts sólo

IoT - controlar un Raspberry Pi Robot por internet con HTML y shell scripts sólo

(Si te gusta este Instructables, no olvide votar en ella (por encima de: bandera de la esquina a la derecha). está compitiendo en concursos de automatización y de INTERNET de las cosas. ¡Muchas gracias! ;-)En este instructables, aprenderemos cómo cre
Robots suaves: Hacer un músculo Artificial brazo y pinza

Robots suaves: Hacer un músculo Artificial brazo y pinza

Usando los músculos de aire artificial, un brazo de robot muy flexible y pinza se pueden hacer.Este robot suave es accionado por aire comprimido y cada uno de los 11 músculos puede controlarse mediante un control remoto universal infrarrojo estándar
NUEVA EV3Dprinter: Impresora 3D de LEGO MINDSTORMS (3ª generación)

NUEVA EV3Dprinter: Impresora 3D de LEGO MINDSTORMS (3ª generación)

Una impresora 3D DIY nifty elaborada con MINDSTORMS EV3 y la 3ª generación 3D la pluma de Banggood.comMi primer instructables era acerca de una impresora 3D de LEGO MINDSTORMS llamada EV3Dprinter. Después de comprar una nueva pluma 3D, he creado esta
Captar las ondas gravitacionales: Robots de realidad aumentada enseñar fundamentos de física para niños y adultos

Captar las ondas gravitacionales: Robots de realidad aumentada enseñar fundamentos de física para niños y adultos

Hacer invisible de las ondas gravitacionales, ondas de radio, ondas de sonido, etc., abarcable y más comprensible con la robótica de AR (realidad aumentada) mediante un sencillo dispositivo inventado en la edad de 12, en 1974. Este dispositivo es tan
De cartucho Sega loco baile Robot!

De cartucho Sega loco baile Robot!

(Si te gusta este instructable, por favor voten por mí. ¡ Gracias!)Ahora que estoy trabajando en la ingeniería de Azerbaiyán de los niños, por fin tengo la oportunidad de enseñar a los niños pueden crear sus propios inventos, usando materiales comune
Robot de LEGO con la cámara GoPro

Robot de LEGO con la cámara GoPro

El drone que vamos a construir no solo será otro quadcopter descerebrado. Éste será capaz de regreso completamente autónoma a aterrizaje de hogar, autónomo, GPS asistido de vuelo, volar a alturas increíbles, velocidades, lo suficientemente fuertes pa
Controladores para Robots baratos, parte 2 de velocidad: controlador PID

Controladores para Robots baratos, parte 2 de velocidad: controlador PID

¡ Hola! Esto es parte de un tutorial de dos partes sobre cómo hacer un controlador de velocidad de un resorte de tapa y pluma de botella! Si no lo has hecho todavía, ¡ pruébelo! Si te gusta, por que no votar por mí en el concurso de sensores! ¡ Graci
Robot controlado por Android para principiantes (A Z)

Robot controlado por Android para principiantes (A Z)

¿Te gustan los Robots? ¿Eres nuevo en robótica? ¿Es usted pensando en construir un Robot desde cero? Si es así, este instructables es para usted. En este instructables voy a mostrarles cómo pueden construir un robot desde cero, también te muestro cóm