Paso 11: Esquemas y dibujos de la parte/plantillas


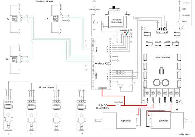
Arriba se muestra el diagrama de cableado para conectar los sensores de 4 línea, 3 ultrasonidos, ShiftBrite LED, interruptor, botón, el controlador del motor y el servo para el sistema neumático.
Esquema de conexión del sistema neumático
Arriba también se muestra el diagrama de conexión de tuberías del sistema neumático.
Dibujos de piezas fabricadas
El esquema adjunto de las piezas fabricadas de robots de sumo es todos a escala 1:1.
Estas piezas pueden ser impreso, pegado a la hoja de aluminio o sección L y luego su simplemente una cuestión de corte a lo largo de las líneas. Alternativamente la parte principal del chasis podría ser cortada usando un cortador de fresado o láser CNC.