Paso 3: circuito

Circuito de soldadura como se muestra en el esquema.
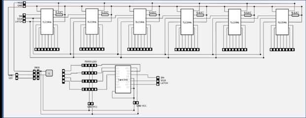
La funcionalidad de cada componente se explica a continuación:
- TLC5916: 6 ocho canales constante actual registra cambio de lavabo en cascada de tal manera que los datos se envían a través de tres líneas, SIN5916, SCLK5916, LATCH5916. 48 salidas de los cátodos están conectadas secuencialmente a los canales de salida de la matriz TLC5916.
- Cómo enviar datos a TLC5916:
El MSB de los datos es enviado primero. El pin de pecado es ajustados alto o bajo dependiendo del MSB de los datos. El pin SCLK es pulsado (enviar alta y enviar baja). Los datos es entonces cambiado de puesto izquierda una vez que la segunda mayoría del pedacito significativo se convierte en el MSB. Una vez que todos los bits se transfieren, la clavija de enganche está pulsada una vez para enviar los datos del registro de retención para el registro de salida. La salida aparece cuando el pin de salida permiten (pin activo bajo) se establece en 0 en las clavijas O0 O7. Se conecta una resistencia externa entre R_EXT pin y GND para fijar la corriente en el canal de salida. Para dos TLCs en cascada, el perno de la SDO del primer TLC es conectado al pin de pecado del próximo TLC con SCLK, cierre y OE' pernos de ambos en corto.
- Cómo enviar datos a TLC5916:
- 74HC595 y LDOs (75933): se utiliza para seleccionar la fila y suministrar suficiente corriente para que la fuente suministra suficiente corriente para 16 LED (x 3 cátodos de cada). 74HC595 trabaja en el mismo principio que la TLC5916. Los canales de salida de los 74HC595 están conectados a los pines de la activación de los LDOs. Cuando los canales ir altos, la actual fuente de LDOs.
- En general, tenemos 6 líneas de datos desde el microcontrolador; los registros de tres para los registros de fuente y tres para el fregadero.
- El condensador y las resistencias actúan como desenganches y limitadores de corriente respectivamente.
- El 7805 es el regulador de voltaje utilizado para convertir la fuente de alimentación de 12 V para alimentación de 5 V regulado.