Paso 5: Sacar el soldador



Como el circuito es simple no voy dando una cuenta de golpe por golpe.
Aquí están algunos consejos:
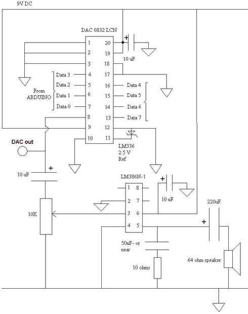
- Preparar una pieza del tablero de la tira de cobre de al menos 28 por 28 agujeros. (Sí conozco cirujanos del cerebro pueden hacer más pequeños)
- Si tiene intención de montaje con los tornillos, les permiten al comienzo!
- Montar los chips en zócalos. Insertar los chips sólo cuando todo ha sido comprobado.
- Mantenga los cables de entrada de la salida.
- Observar la correcta polaridad de los condensadores.
- Consulte el diagrama de la vista base de la referencia de tensión LM336. La pata de ajuste no se utiliza y se puede cortar.
- Nota la conexión directa al pin 8 de la DAC - It es muy útil para probar.
- Conecté a Audino con cinta cable y un conector IDC de 10 manera.
- En la ONU que las conexiones son en línea recta - usted puede encontrar que organizar las conexiones de entrada 8 en una sola línea recta le permite enlazar con el Arduino con una lista de compra, hecho 8 conector de forma,
Cuando su cheque hecho la soldadura y verifique los boquetes entre las pistas de cobre.
.
Encuentro que un hack junior 36 tpi Sierra muy útil para despejar escombros. Quitar la hoja localizar pernos y deslice que la punta de la cuchilla en la pista-Obviously la hoja no está en un marco.