Paso 7: Reciver









para el recivir un un tablero fijo en el reduino pero estoy pensando en hacer un escudo.
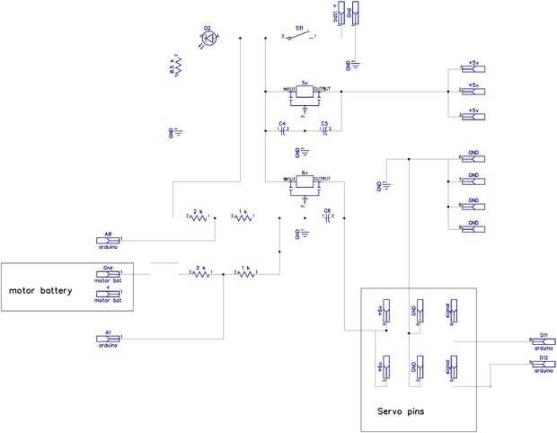
para la placa o escudo necesita un regulador de 5v, un regulador de 6v para los servos (esto depende de qué servos utilizas), I olso pone unas pinzas para la conexión del servo y 2 divisor de voltaje (1 divisor leer la batería que alimentará la "parte lógica", arduino y servos y otro divisor para bateria motor).
pondré todos los esquemas sobre los próximos pasos que supongo.
para el reciver primer pensamiento para un codificador óptico leer las rpm del motor y calcular la velocidad y la distancia viajó. No estoy shure pero no creo que el AtMega 328 es capaz de mantenerse al día con un intrerupt en altas tasas y la comunicación serial, puede ser un AtTiny trabajará para enviar el número de revoluciones y guardar la distancia, luego enviar a 328 canal I2C... Si tienes sugerencia necesite: P