Reloj multímetro (3 / 5 paso)

Paso 3: Esquema de reloj

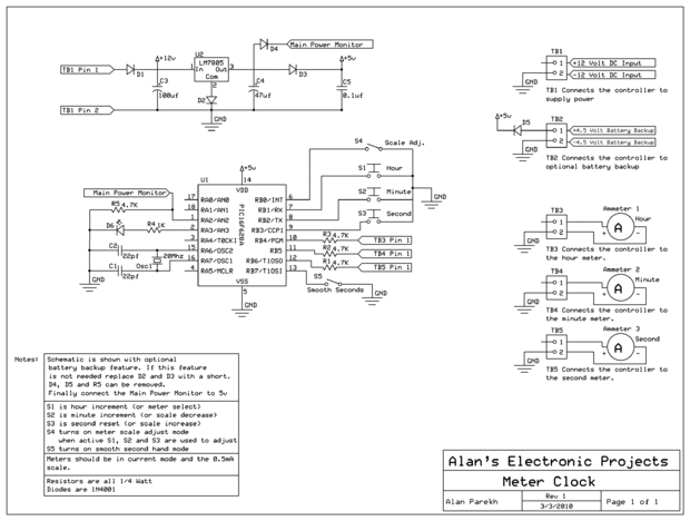
Aquí es el esquema para que el reloj del multímetro

Artículos Relacionados

Reloj voltímetro

Reloj voltímetro

Este reloj indica la hora - horas, minutos y segundos utilizando 3 voltímetros analógicos. Un microcontrolador PIC16F628A se utiliza para mostrar la hora mediante la variación de la tensión de cada voltímetro y también proporciona cronometraje muy bá
Todo el mundo necesita un multímetro

Todo el mundo necesita un multímetro

un multímetro puede salvar una persona promedio mucho dinero durante años, a pesar de que las señoras que eligen comprar uno no pueden llevarlo en su bolso al salir por la noche. A menudo será capaz de resolver muchos problemas en menos tiempo del qu
Cómo usar (y elegir) un multímetro!

Cómo usar (y elegir) un multímetro!

Comprobar la duración de la batería de coche, circuitos de depuración y encontrar ese corto molesto son todas funciones super útiles que se pueden hacer con una herramienta impresionante: el multímetro!En primer lugar, ¿qué diablos es un multímetro??
Ion de litio 18650 multímetro

Ion de litio 18650 multímetro

Conseguir las tensiones mal en tu multimetro, batería plana siempre cuando necesite utilizarlo.Harto de comprar caros 9 voltios pilas para tu multímetro, que sólo duran unos meses.Luego construir este sencillo de 3,7 voltios a 9 voltios paso circuito
Cómo a prueba su transistores con su multímetro

Cómo a prueba su transistores con su multímetro

Hola a todos!!!!En este instructable te va ser diciendo cómo probar sus transistores con la ayuda de su multímetro.Ahora, olvidar esos circuitos que se usa para probar transistores y ahora es el momento para obtener fácil y práctico.Paso 1: motivació
3D imprimir un multímetro soporte

3D imprimir un multímetro soporte

Casi cada fabricante ha utilizado un multímetro, si estaba probando las baterías o continuidad. Sé que cada vez que hago esto, no puedo nunca parece que conseguir una buena prueba porque estoy intentando probar con una mano y leer con el otro. En otr
Cómo usar un multímetro para verificar voltaje, continuidad y carga de la batería

Cómo usar un multímetro para verificar voltaje, continuidad y carga de la batería

Un multímetro digital puede controlar cargas de tensión, continuidad y batería. El Ideal 61-310 multímetro mide tensión, corriente y resistencia. También mide continuidad audible, así como la temperatura. Una función de retención de datos almacena lo
Escudo de multímetro digital de Arduino

Escudo de multímetro digital de Arduino

Este instructivo describe un escudo, que convierte la placa "Arduino" en un multímetro digital (DMM).El escudo puede ser insertado en el "Arduino" UNO und Duemilanove juntas. Puede funcionar en tres modos:independiente - la medición de
Multímetro protoboard-ambiente

Multímetro protoboard-ambiente

usando breadboards pronto ante el problema de las puntas del multímetro demasiado gruesas para ser enchufado en los agujeros de la protoboard para un contacto estable y sin manos.Tuve la idea de modificar mi multímetro en orden a ser mucho más fácil
Tercera mano para tu multímetro

Tercera mano para tu multímetro

A menudo necesita más manos para trabajos con tu multímetro que la normal del cuerpo está equipado con, si usted es un insecto o un pulpo, o use un medidor mucho, entonces este instructable será por innecesario, si son humanos y hacen mucha electróni
Termina de multímetro intercambiables

Termina de multímetro intercambiables

estos son algunos adaptadores hice utilizar a más de mi multímetro barato. Tengo un tiempo duro con los conductores en los cables y pines mientras que estoy tratando de usar mi multímetro, así que hice estos adaptadores para recortar en varios conduc
Multímetro iPod caso Mod

Multímetro iPod caso Mod

esta es una manera fresca e inteligente para proteger su multímetro digital, en el barato. Con este cierre, caso de espuma de softcell fue originalmente diseñado para el iPod, y mi esposa lo comprado en grandes lotes (el juego viene con dos de estos
DIY multímetro pinza las puntas de prueba con Sugru

DIY multímetro pinza las puntas de prueba con Sugru

pinza son una adición útil a su multímetro, especialmente para componentes de montaje superficial.Lista de partes:Sugru (se hará un paquete de muestra)Pinzas de acero inoxidableAlambreLos enchufes tipo banana (opcional)[Este instructable fue creado p
Actualización viejo multímetro con zumbador

Actualización viejo multímetro con zumbador

He estado usando este multímetro ya que sé de electrónica. Creo que es manifactured en 1974 por lo que soy 1 año mayor que mi multímetro. Es una herramienta durable y decidí actualizarlo con buzer circuito.Paso 1: Paso: 1 encontré el circuito del zum