Reloj de display de 7 segmentos! (1 / 3 paso)

Paso 1: cableado

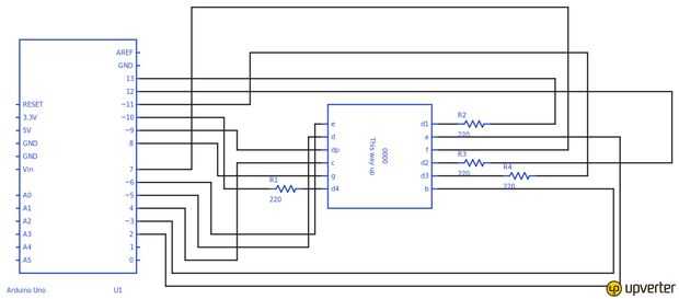
Un paso importante para hacer que el reloj es el cableado. SMA420564 de búsqueda en su computadora o dispositivo móvil. Encontrará un diagrama. Seguir el cableado. Las líneas son los cables y la caja es el display de 7 segmentos. Las letras/números en el display de 7 segmentos son los cables por debajo. Usted tiene que asegurarse de que los decimales se enfrentan a la forma correcta o no funcionará. El cuadro de la izquierda es el arduino. Para los botones, conecte 2 cables en la fila G con 1 orificio aparte. Enchufe el cable 2 en el enchufe de la D3 en el arduino y el cable 1 Conecte el riel negativo. Luego bajar 15 agujeros y conecte 2 más con 1 orificio aparte. Enchufe el cable de 3 en el D2 cable y enchufe el cable de 4 en el carril negativo. Conecte una resistencia en el cable 2 y luego conecte el otro lado en el carril positivo. Luego conecte una resistencia diferente al 3er cable y conecte el otro lado en el carril positivo. Luego conecte los 2 botones delante de los 4 cables, el puente de la placa.

Artículos Relacionados

Reloj de display de 7 segmento caseros

Reloj de display de 7 segmento caseros

construido esto para mi novia y montado en una cáscara del coco. En el centro de ella hay un PIC16F727 en paquete TQFP y un display de ánodo común. Tengo la pantalla de mi ex-líder del equipo, y puesto que estos tipo de muestra 'gritar' para ser pues
Reloj Digital de Arduino (con Charlieplexing LEDs, Displays de 7 segmentos)

Reloj Digital de Arduino (con Charlieplexing LEDs, Displays de 7 segmentos)

este es mi segundo instructable. Acabo de tener un estado de ánimo de hacer un reloj digital. Pero quería hacer un proceso de aprendizaje. Ya tuve un sanguino podría haber fácilmente utilizado eso Atmega644 chip. hubiera sido más que suficiente.  Per
Display de siete segmentos

Display de siete segmentos

La pantalla de uso general con los siete LED adentro, generalmente se utiliza para indicar los enteros por ejemplo en ascensores para indicar el no. del piso, mulitimeters, etc. se conoce como display de siete segmentos.Paso 1: partesUsted necesita l
Displays de 7 segmentos de charlieplexing

Displays de 7 segmentos de charlieplexing

he estado experimentando con el Arduino para manejar un display de siete segmentos (SSD). Cuando brazolada varios juntos para formar una pantalla de varios dígito, un diseño común es una matriz de alambre y utilizar multiplexación para reducir el núm
Multiplexación de cuatro displays de 7 segmentos usando Shift registra Arduino

Multiplexación de cuatro displays de 7 segmentos usando Shift registra Arduino

Hola cada unoHe diseñado una manera sencilla de multiplexar cuatro displays de 7 segmentos, utilizando registros de desplazamiento y un ArduinoNos multiplexar el display de 7 segmentosPaso 1: Paso 1: vamos a diseñar Tomar cuatro displays de 7 segment
Humedad en el Display de 7 segmentos y Arduino temperatura

Humedad en el Display de 7 segmentos y Arduino temperatura

Se trata de un dispositivo de trabajo hice que muestra la temperatura o la humedad respectivamente pulsando un interruptor de botón.Si el interruptor está pulsado muestra humedad de lo contrario muestra la temperatura.Paso 1: introducciónEste disposi
Interfaz MSP430 Launchpad con display de 7 segmentos

Interfaz MSP430 Launchpad con display de 7 segmentos

Hola amigos,Bienvenido a mi MSP430 Launchpad entretela tutorial, en este instructable yo se ser entretela un MSP430 Launchpad con un display 7 segmentos de cátodo común.Tenga en cuenta que yo estoy reformateando mi artículo original publicado en www.
Frambuesa Pi: Lectura de Displays de 7 segmentos

Frambuesa Pi: Lectura de Displays de 7 segmentos

Leer siete exhibiciones de segmentoIntroducciónMuchos sensores no tienen una manera simple de enchufe directamente en ellos, y aun cuando existe una forma de hackearlo, implica a menudo habilidades soldaduras mad-montaje en superficie. Simplemente le
Guarda tus pins en proyecto de display de 7 segmentos

Guarda tus pins en proyecto de display de 7 segmentos

Una pantalla de siete segmentos es bastante útil pero algo malo sobre ella es que utiliza un montón de pines del microcontrolador. Puede utilizar sólo dos o tres displays de siete segmentos con microcontroladores arduino uno, arduino nano, linkit uno
Contador decimal de Arduino con display de 7 segmentos

Contador decimal de Arduino con display de 7 segmentos

Utilizando un arduino uno y una pantalla de siete segmentos que vamos a hacer un circuito muy simple y básico que cuenta desde 0 hasta 9 y se repite hasta que lo apague.Paso 1: Cosas que necesitaremos Arduino UNOResistor de 220 Ωdisplay de 7 segmento
DHT11 + Display de 7 segmentos

DHT11 + Display de 7 segmentos

Este instructable le gusta otros usando DHT11 y módulo de exhibición de segmento 7 para mostrar la temperatura y la humedad, pero no se mostrará la construcción, algo será importante en la técnica para mostrar los datos en el display de 7 segmentos.
TOD: Intro ROM de matriz de diodos (display de 7 segmentos)

TOD: Intro ROM de matriz de diodos (display de 7 segmentos)

toneladasDeDiodosUna nueva serie de instructables que utilizará toneladas y toneladas de diodos. No IC en voz alta, es los conductores semi solo son diodos y transistores. Los componentes pasivos sólo en voz alta son condensadores, resistencias, inte
DISPLAY de 7 segmentos

DISPLAY de 7 segmentos

Este instructable muestra cómo mostrar 0-9 dígitos de 7 segmentos Mostrar utilizando Arduino.y este tipo de instructables están solamente para la beginner.if de arduino encontrará dificultades en siguiendo mi tutorial por favor deje un comentario aba
Reutilizar componentes electrónicos - Display de 7 segmentos basado en PT6964

Reutilizar componentes electrónicos - Display de 7 segmentos basado en PT6964

Hola, este es mi primer poco instructivo.Soy un gran fan de desarmar cosas electrónicas y mirar dentro. He aprendido mucho cosas sobre diseños, fichas y también rescatar piezas de electrónica antigua es una forma barata y fácil para obtener repuestos