Paso 6: manual de reparacion

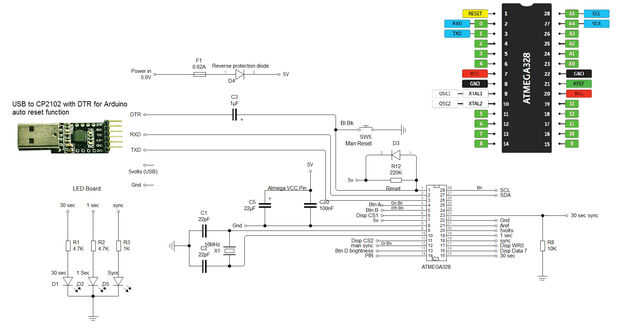
El esquema es muy simple y es puede ser construido en placa vero en menos de una hora.
El circuito es un DIY Arduino Uno con un CP2102 (con DTR para auto reset) para permitir la programación. Usted puede comprar kits de Ebay con el Atmega 328 I / C, cristal de cuarzo y capacitores incluyen. Conseguir pre programado con el gestor de arranque Uno a menos que quiera programar su propio.
Uso el mismo módulo de CP2102 en la mayoría de mis relojes y enchúfalo en la placa de circuito según sea necesario.
Puede utilizar un fuera de la plataforma Arduino Uno y se pueden trabajar en otras placas de Arduino, así.