Paso 4: Opcional: Descripción detallada del microprocesador

A continuación se muestra el diagrama esquemático para el enfoque de microprocesador.
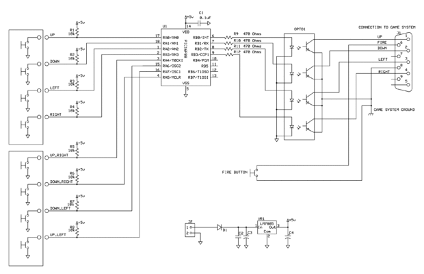
Microprocesador y entradas del interruptor
U1 es el microprocesador. Realiza la conversión de la entrada a la salida del interruptor de cuatro 8. También filtra las entradas de interruptor no válido. Cuando una entrada no válida es leída por el procesador, las 4 salidas retienen su último estado válido. C1 es un capacitor de desacople para U1.
Resistencias R1-R8 tirar ocho entradas al microprocesador hasta + 5 voltios cuando los interruptores no se ha presionado. Las entradas de interruptor son procesadas por un microcontrolador PIC, para abordar el tema de combinaciones de interruptor no válido ser rechazada por el juego y para convertir la configuración del 8 interruptor en una salida que puede conducir a un juego con una interfaz de switch de cuatro. El microcontrolador Lee los 8 interruptores y genera cuatro salidas para imitar la interfaz de 4 switch. Si las 8 entradas son una combinación de interruptor no válido, el microprocesador salidas el último patrón válido.
Observe que puesto que el microprocesador Lee cada uno de los ocho pulsadores en una línea separada, no es necesario utilizar los diodos de aislamiento que sean necesarios para la aplicación pasiva descrita anteriormente.
El circuito PIC y el software pueden utilizarse con un arreglo de cuatro interruptor también. Las entradas para el procesador que conectan a los cuatro interruptores de dirección diagonal deben todavía tirar alto a VDD, para mantener las entradas en alto para que no se leen por el procesador como una entrada válida.
Interfaz de sistema de juego y aislamiento óptico
Para asegurar que el sistema de juego nunca se dañaría por el circuito del procesador, los dos circuitos están aislados eléctricamente uno del otro. Para aislar eléctricamente el circuito PIC desde el sistema de juego, se utiliza un optoisolator cuatro canal entre las salidas del microprocesador y las entradas de la consola de sistema de juego. Cada uno de los canales de aislador óptico tiene un LED en el lado de la entrada. Este LED se enciende por las salidas del microprocesador. Las salidas de cada uno de los aisladores ópticos (en el lado del sistema de juego), son transistores NPN. Los emisores de los transistores están conectados entre sí y conectados a tierra de sistema de juego. Los colectores de cada transistor están conectados a su línea correspondiente en el sistema de juego. Cuando el procesador de una línea de alto, se enciende el LED en un lado del aislador, y se enciende el transistor correspondiente en el lado del sistema de juego, tirar esa línea bajo el sistema de juego. Esto imita la acción de la palanca de mando, donde el interruptor cerrado tira de la línea de entrada del sistema de juego bajo.
R9-R12 se utilizan para limitar la corriente del microprocesador salidas conduciendo los LEDs de IR dentro de la optoisolator. OPTO1 es un optoisolator de 4 canales con salidas de transistor de NPN. El colector de cada transistor de salida está conectado a una de las 4 entradas del controlador de juego. Los emisores de los transistores de salida son todos atados y conectados a la tierra del sistema de juego.
Entrada de energía y regulador
D1 protege el circuito del daño si la fuente de alimentación está conectada con la polaridad incorrecta. C2 y C3 son filtrado en la entrada al regulador de voltaje VR1. VR1 es un regulador de + 5 voltios. C4 es un capacitor de filtro en la salida de VR1. J2 es donde se conecta la fuente de alimentación, entrada de C.C. de A de al menos 8 voltios debe aplicarse aquí.
En el sistema Atari 2600, los cuatro dirección interruptores están conectados a los pines 1, 2, 3 y 4 de un conector D-sub de 9 pines. Pin 8 en el D-sub es el sistema de juego. PIN 6 es donde se conecta el botón de "fuego". El botón single "fuego" en el sistema de juego de Atari 2600 no es controlado por la alfombra del piso, ya sería demasiado incómodo para el juego. El botón de disparo en cambio es controlado por un interruptor de botón pulsador sostenido por el usuario. En esta configuración, el botón de disparo se conecta directamente a pin 6 y pin 8, como no tiene entrada al procesador.
Software
El código fuente y archivo *.hex reunidos para programar el microprocesador PIC se unen aquí si desea utilizar este enfoque.