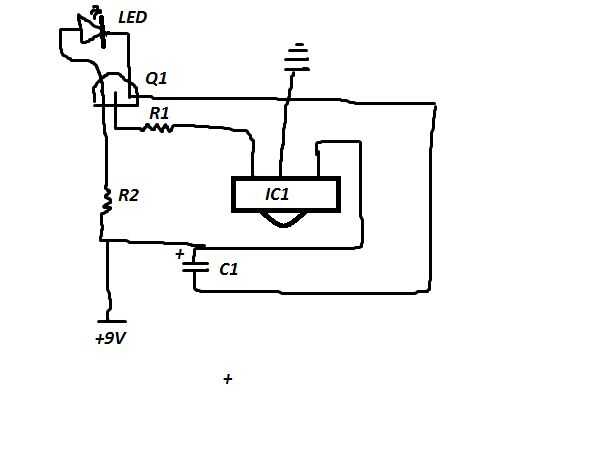
RECEPTOR IR \ probador remoto (2 / 3 paso)

Paso 2: Circuito esquemático:

CONSTRUYA ESTE CIRCUITO Y DIVERSIÓN...

Artículos Relacionados

Probador remoto IR

Probador remoto IR

este instructable muestra cómo construir un probador de control remoto fácil de IR.Piezas necesarias:-1. receptor de Control remoto TSOP2. zumbador3. pila de 94. protoboard5 protoboard de cables6. EL LED7. TV remotoEl zumbador debe comenzar un pitido
Receptor de Control remoto UHF

Receptor de Control remoto UHF

Este UHFreceptor de control remoto trabaja en conjunto con el transmisor de UHF descrito en mi anterior post. Circuito es bastante simple pero se deben observar todas las recomendaciones en el diseño de construcción de UHF (plano de tierra, perdida d
TV / Radio / probador remoto otros

TV / Radio / probador remoto otros

en este Instructable os enseñaré a construir un probador de control remoto, que puede probar si su control remoto está funcionando o no. Para esto usted necesitará un pedazo pequeño de verro Junta A Tsop, un zumbador, LED(Optional) alambre y kit sold
Probador de control remoto de TV [hacer el módulo de Sensor de infrarrojos en casa]

Probador de control remoto de TV [hacer el módulo de Sensor de infrarrojos en casa]

Hola todo el mundo. Hoy les mostraré cómo hacer el circuito de prueba remoto simple con pocas resistencias, transistores, sensor IR, led y diode.this proyecto puede utilizar también como el módulo ir para otros proyectos como la línea que sigue el ro
CIRCUITO de pruebas remoto IR de más simples

CIRCUITO de pruebas remoto IR de más simples

aquí es el circuito de probador remoto ir más simple que se hace totalmente de componentes como led, photododes y batería. Funciona como cualquier complejo ir remoto prueba circuito con transistores y receptores de infrarrojos. Para probar cualquier
Añadir controlada remoto RBG iluminación de LED para gabinetes

Añadir controlada remoto RBG iluminación de LED para gabinetes

Este instructable muestra cómo agregar remoto control RGB LED de iluminación para gabinetes de Hemnes de IKEA o cualquier otro mueble similar.Necesita ver LED strip kit EbayEl kit contiene un rollo de 5m de tira de 5050 RGB LED 150, un control remoto
Extensión de multipunto de control remoto IR

Extensión de multipunto de control remoto IR

Este proyecto surgió debido a mi empresa de cable la gente cambia a todo digital. Como la mayoría de la gente había sido reemplazar sus televisores con LCD digital listo en los años por lo que no resolver esto sería un problema mayor. PERO... sistema
Añadir un Control remoto para casi cualquier cosa!

Añadir un Control remoto para casi cualquier cosa!

En este Instructable te voy a mostrar cómo agregar un control remoto barato a casi cualquier cosa! te apetezca.El año pasado construí un lanzacohetes de aire comprimido que apareció en la revista.  El Lanzacohetes es un montón de diversión y mis niño
Control remoto unidad de tanque

Control remoto unidad de tanque

Después de leer un montón acerca de cortadoras de césped del mando a distancia, decidí construir mi propio multiuso control remoto vehículo para uso general de la yarda y lawnmowing etc.. Empecé con una pista de una antigua Máquina removedora de niev
Wireless Joystick _! _

Wireless Joystick _! _

Quizás hayas escuchado sobre joystick utilizado para juegos de azar y en grúas y máquinas grandes, palanca de cambios de coche etc. en estos joystick todo está conectada a la computadora principal, pero en este tutorial te mostraré hacer un joystick
Cómo alambre de tu casa con Cat-5 (o 6) para redes Ethernet

Cómo alambre de tu casa con Cat-5 (o 6) para redes Ethernet

aunque es más sencillo para mucha gente, compartir multimedia, ancho de banda de red de mi casa y mi leve paranoia sobre seguridad inalámbrica, wireless realmente quería usar un disco duro con cable solución para redes domésticas.Tener una red por ca
Lámpara de aspecto fresca de ordenador portátil roto

Lámpara de aspecto fresca de ordenador portátil roto

Si tienes un MacBookPro roto, o cualquier otra laptop rota con una fría luz de fondo en la parte posterior de la pantalla, usted puede construir esta lámpara para sí mismo. Debido a las rayas del RGB LED de la lámpara se puede personalizar la luz, pa
El Longboard eléctrico bricolaje presupuesto

El Longboard eléctrico bricolaje presupuesto

Hey yall! CoolRextreme aquí con otro post DIY Longboard...Sí, le daré una descripción detallada de mi fabricación. De la frustración en fascinación. ¿Por qué?Causa que todos sabemos son no sólo va suavemente y que se unen perfectamente.No, no voy a h
Arduino semáforo regulador w/Remote Control

Arduino semáforo regulador w/Remote Control

tuve un semáforo que yo estaba acabado.  La izquierda lo único que hacer era construir el controlador para los patrones de señal de la luz.  Para darle un toque incorporé un control remoto.  También fue la oportunidad perfecta para poder probar un Ar