Paso 5: Disección del cerebro





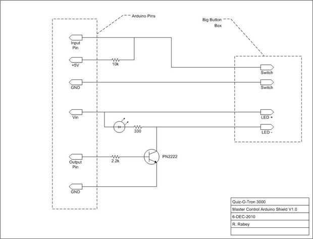
Como he mencionado antes el cerebro prueba-O-Tron 3000 se implementa con un escudo de Arduino y una plataforma de desarrollo de microcontrolador Arduino Uno. El escudo contiene la interfaz y control de los circuitos que conecta a las cuatro cajas de botón grande y el Arduino Uno contiene el software y los pines de entrada/salida para que todo funcione. Escudo del cerebro se divide en dos partes principales: el interruptor de entrada de circuitos y los circuitos de control de potencia de LED. Aquí es un desglose de lo que cada parte principal de Arduino el cerebro hace de escudo.
Los circuitos de entrada del interruptor (uno para cada botón) consisten de una sola resistencia que se conecta uno de los pines de entrada Arduino a + 5 voltios. Luego la misma clavija de entrada está conectada a tierra a través del interruptor de botón fácil que es normalmente abierto. El software de Arduino lee el estado de tensión de entrada de este pin que es alto (+ 5V) hasta que el botón es presionado y luego el estado cambia a bajo (tierra/0V). Se trata de cómo el programa de Arduino sabe que un botón es presionado y puede realizar la respuesta programada a ese evento.
Una vez que los sentidos de Arduino que se ha pulsado un botón que queremos tomar las siguientes medidas: 1) el ganador del LED en la consola de control principal mientras parpadea el LED en la caja del botón de disparo, la luz 2) bloquee los otros botones durante 5 segundos antes de restablecer para la siguiente pregunta.
Puesto que tenemos un circuito que parpadea el LED en caja del botón, lo único que tenemos que hacer es enviar energía a la placa de circuito de LED para activar las luces. Esto se hace con los circuitos de control de potencia (uno por cada botón) que está bajo el control de uno de los pines de salida del Arduino. El software de Arduino controla el estado de los pines de salida, si es alto (+ 5V) o bajos (0V). El pin de salida de Arduino está conectado a un transistor a través de un resistor.
En esta configuración, el transistor se convierte en un interruptor electrónico que controla el flujo de la energía del escudo a los LEDs. Cuando el software de Arduino cambia el estado del pin de salida a alta el transistor permite poder a uno de los LEDs en el MCC y el tablero del LED en el cuadro de botón grande asociado. El transistor hace al completar la conexión de la potencia del circuito a tierra. El voltaje positivo DC para el circuito de control de potencia de LED viene de la clavija "Vin" de Arduino. Si nos QT3K con 9 voltios DC a través de conector de alimentación de Arduino de la energía obtenemos la tensión ideal a nuestro circuito de parpadeo del LED. El software luego espera 5 segundos antes de cambiar el estado del pin de salida para así apagar el transistor baja y matando a poder de los LEDs.
Utilizamos transistores para alimentar dispositivos externos porque los pines de salida del Arduino se limitan a 5 voltios a un máximo de 40 miliamperios. Los transistores permiten controlar dispositivos que requieren voltajes más altos y que dibujar corrientes más altas. Los transistores usados en este proyecto pueden manejar hasta 600 miliamperios. Esto permite mucha más variedad en los tipos de dispositivos que podemos controlar con Arduino.
La primera imagen muestra el diagrama esquemático del botón entrada y circuitos de control de potencia de LED que se implementa en el escudo de Arduino. Este circuito se repite para cada botón con cada uno se conecta a un conjunto diferente de Arduino entrada y salida de pines.
La consola de control principal de Test-O-Tron 3000 incluye la capacidad de informar qué botón se presionó. Esto se hace con los 4 LEDs montados en la consola de control principal. Estos LEDs son alimentados por el mismo circuito que esté alimentando el tablero LED parpadeante en el cuadro de botón grande. Puedes ver estos LEDs en la segunda foto que muestra la consola de control maestro completado.
Los LEDs están dispuestos en el mismo patrón que los conectores DB-9 en la parte superior de la consola que es donde se realiza la conexión a las cajas de botón grande. El botón rojo al lado de los LEDs se utiliza para restablecer el Arduino. Se conecta a la zona de "interruptor reset" del escudo de Proto de Adafruit. Esto viene práctico si usted quiere borrar los LED que parpadea rápidamente y preparar los botones de la siguiente pregunta.
El caso de la consola de control principal necesario para casa el Arduino, escudo, conectores DB-9, LEDs y restablecer el conmutador. Usé un caso proyecto de plástico ABS con panel de aluminio desmontable. Saqué una plantilla para la parte superior de la caja con el diseño de los conectores DB-9, los LEDs y el pulsador. Revisé la plantilla para el ajuste y aseguró que el Arduino y escudo claro los conectores DB-9 cuando se monta en el panel extraíble. Una vez que estaba seguro de mi plantilla utilicé cinta adhesiva transparente completamente y asegure la plantilla de papel en la parte superior de la caja. Entonces utilicé esto como una guía para mi herramienta rotatoria Dremel como preparé el caso para el hardware para instalarse allí.
La herramienta Dremel hizo el trabajo rápido de la caja con una broca de taladro y una broca de corte. Luego utilicé un disco de corte para cortar las muescas cuadradas en la parte posterior del caso que expone el puerto Arduino USB y el conector de alimentación externa. Cada uno fue cortado desde el lado abierto de la caja (una vez que fue retirado el panel de aluminio) haciendo dos cortes paralelos de la apertura. Hice el espacio separando los dos cortes del ancho de cada gato asociado. Luego marqué una línea entre los dos cortes en el apropiado "top" de cada abertura que estaba creando. Pinzas se utilizaron para romper los dos pedacitos de plástico en las líneas de puntuación para crear los agujeros que dejaría al descubierto los conectores. A continuación, un archivo de mano se utilizó para cuadrados y Sobrehilar cada apertura.
También usé la herramienta rotatoria Dremel para perforar cuatro agujeros de montaje en el panel de aluminio para sujetar el Arduino y el escudo firmemente en su lugar. La tercera foto muestra la parte inferior de la consola de control principal donde se puede ver la posición de la Arduino hardware de montaje. La cuarto foto le da un vistazo dentro del MCC. Y el quinto programa Arduino montadas en el panel de aluminio de caja de proyecto.