Paso 4: ¡ Hágase la luz!




Antes de llegar a los detalles de los cerebros del sistema necesito mencionar una mejora que se añadió durante el desarrollo del proyecto. Originalmente pensé que el sistema uno de los cuatro LED montado en la consola de control maestro (MCC) para indicar que el concursante ganador se ilumina. Esto finalmente me pareció un poco aburrido. Así, el proyecto experimentó un poco "característica de fluencia"; un término que es muy común en el mundo de desarrollo de electrónica y software.
Para dar a los participantes retroalimentación instantánea cuando el juego que quería añadir algunas luces parpadeantes a los botones grandes. Me decidí a montar cada botón en una caja de metal para lograr dos cosas. En primer lugar, da el gran botón algo de peso. Y en segundo lugar, me da un montón de espacio para montaje de LEDs y los circuitos de control correspondientes.
La primera foto muestra un circuito que parpadeará 2 pares de LEDs en un patrón de alternancia rápido. Esto se hace usando uno de los verdaderos "caballos de batalla" del mundo de la electrónica – circuito integrado 555 temporizador. Aplicando 9 voltios a este circuito consigues algunos destellos ligeramente satisfactorias. He montado el circuito en el cuadro de botón grande y taladrar 4 orificios para montar los LEDs alrededor del botón grande.
Usted notará en la primera foto que la mitad de la placa de circuito es inusitado. Pienso utilizar este espacio para otra función que quise agregar pero no se tiempo para implementar en esta versión. Aquí le damos una pista: el botón fácil contiene un altavoz.
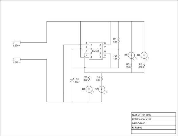
La segunda imagen muestra el diagrama esquemático para el circuito de LED intermitente.
La tercera foto muestra el botón terminado concursante. Taladré los cinco agujeros en la parte superior de la caja de metal; uno para cada uno de los cuatro LEDs montado alrededor del botón y uno centrado en el botón. Los cables que se extienden el interruptor de botón fácil fueron encaminados en la caja a través de este agujero de centro. Tenga en cuenta que el 5mm LEDs que se montan dentro de 3/16" arandelas de goma. Taladré los agujeros para encajar estos ojales y una vez que aquellos se instalaron sólo inserté los LEDs. Esto hizo de una manera rápida y fácil colocación. También instalé un ojal en el agujero bajo el botón fácil para proteger los cables funcionando a través de.
La cuarto foto muestra el interior de la caja del botón grande. Utilicé una herramienta giratoria Dremel con un disco de corte de muesca hacia fuera del orificio de montaje del conector DB-9 en el lado de la caja. Esto permite que un cable para conectar la caja del botón en la consola de control principal de Test-O-Tron 3000. El conector contiene los 2 cables desde el interruptor de botón fácil y otra 2 cables para llevar corriente al tablero LED intermitente para activar las luces. Cada caja de botón grande tiene estos mismos 4 cables que están conectados a los cerebros de consola de control maestro de prueba-O-Tron 3000 (el escudo de Arduino). El botón fácil fue asegurado a la parte superior de la caja con fuerza industrial Velcro como era el circuito interno. Como paso final para el botón he añadido cuatro patas de goma a la parte inferior de la caja.