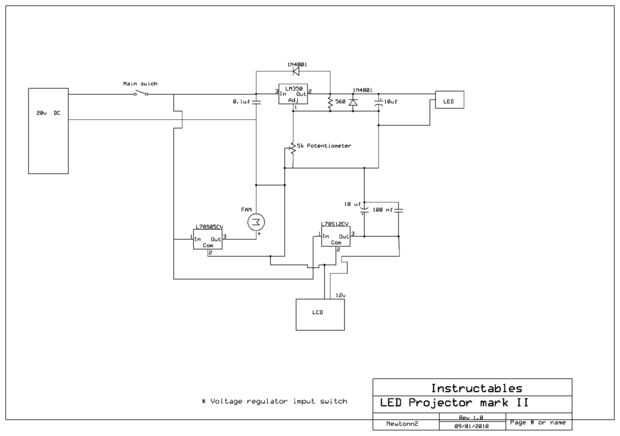
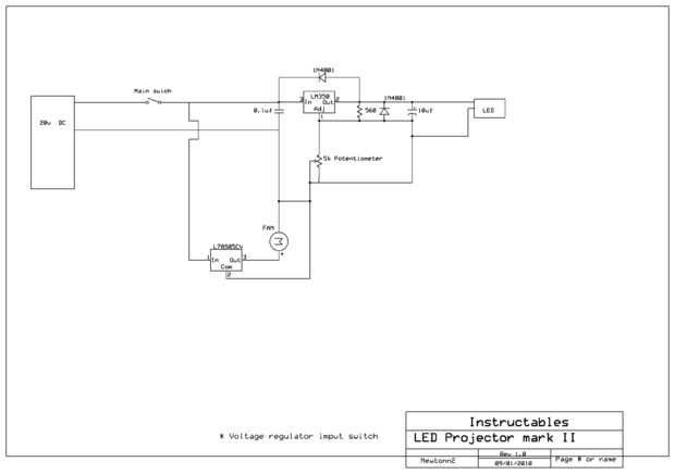
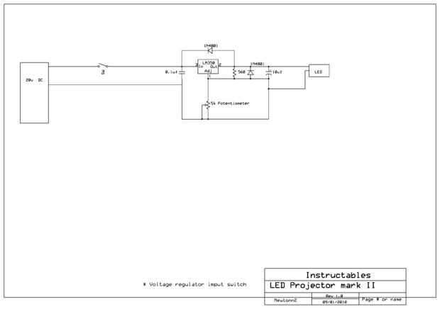
Paso 8: esquemático






Aquí está el esquema. Coloque el regulador de voltaje en un buen disipador de calor.
Con el LM350 puedo cambiar el voltaje con la resistencia variable de 5 k y al mismo tiempo tengo el amperímetro conectado para asegurarse de que los amplificadores no levantará 1.7A. (El LED está clasificado 1.8A pero sólo para estar en el lado seguro)
Tenga en cuenta : He encontrado un problema en los esquemas, no debe existir conexión entre el ánodo de la 1n4001 y la negativa de las 10uf.