Paso 2: El cableado

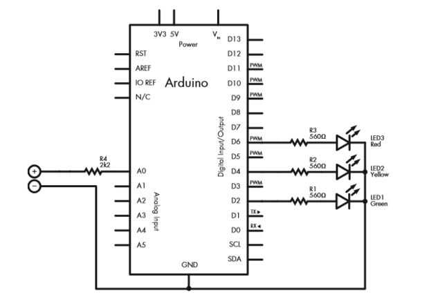
Cableado un poco es necesaria para el funcionamiento de este circuito, afortunadamente el Arduino es el suministro de la energía por lo que no hay necesidad de una fuente externa, que se dice tenga cuidado con otros proyectos como Arduino no fuente de una gran cantidad de corriente. El esquema es también ligeramente abierto para permitir que el usuario Conecte los cables de sondeos o un arnés de cableado para diferentes tamaños de la batería. Adjunta es un diagrama esquemático eléctrico elaborado para el proyecto, cortesía de John Boxall en el taller de Arduino.