Paso 8: Convirtiendo los precalentadores encendido/apagado remotamente



En este paso llegamos finalmente a ver los frutos de nuestro trabajo de configuración!
En la primera imagen es una vista de la pantalla cuando la siguiente URL es entrar en el navegador:
http://192.168.1.2 (recordemos que esta es la dirección por defecto de la página control de temperatura)
Tenga en cuenta que el nombre del módulo se muestra así como la temperatura del sensor #1 y también los botones de estado y control de relés internos del módulo de temperatura 1 y 2.
En este caso los sensores 2 y 3, xx.x se expone porque las sondas de temperatura no fueron conectadas todavía.
También tenga en cuenta que los relés están en un estado de 'apagado'.. .que significa los relés normalmente abiertos no están cerrados.
La segunda imagen de esta etapa muestra qué sucede cuando se hace clic en el botón de encendido del relé de sobre. El relé 1 se cierra y el estado del relé pasa de OFF a ON.
CLAVE: El menú de control anterior es lo que es accesible para activar o desactivar los precalentadores de avión y apagar remotamente. (más sobre esto en un momento).
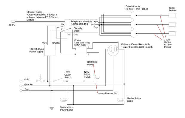
La última imagen de este paso muestra los esquemas de caja de Control del calentador para referencia. El elemento clave para notar es que el relé normalmente abierto es parte del módulo de temperatura. El relé se indica, es 'Relé 1' que era controlada por la página web de la interfaz en las instrucciones anteriores.