Paso 3: Detalles de la caja de Control de calentador


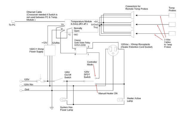
Los esquemas de la caja de control de calentador ilustran las piezas necesarias para este proyecto. El corazón de la caja de control del calentador es un módulo de temperatura vinculado Ethernet (pieza Nº X-DAQ-2R1-4T-I) de una empresa llamada ControlByWeb.com:
Este módulo de temperatura está conectado a un puerto de Ethernet en el PC de Control del calentador. El puerto de la PC fue configurado para trabajar con este módulo de temperatura. (Esto se describirá más adelante.) La operación del módulo de temperatura es doble, fue utilizado como un medio para leer las sondas de temperatura y fue utilizado como un medio para activar la energía de 120 VCA a la salida de la caja de control del calentador.
Abriendo un navegador en el PC de Control del calentador, y entrando en la dirección IP del módulo de temperatura, es posible que el módulo de control y cerrar y abrir los contactos eléctricos en él y también leer los valores de temperatura de sondas de temperatura conectadas a él. Por cierre de contactos 1C y 1NO en el módulo de temperatura, se activa el relé de estado sólido que transmite la potencia a la salida. Este relé de estado sólido era tamaño para manejar las cargas actuales esperadas para los precalentadores de aviones. (La configuración y el control del módulo de temperatura aparecerá en los siguientes pasos.)
Usted puede haber notado que las sondas de temperatura todos se conectan a los misma tres pernos del módulo de temperatura (+ 5 v, % tierra, Tmp). Esto no es un error, realmente es una característica interesante, cada una de las sondas de temperatura proporcionan datos digitalmente y cada sonda tiene su propio código único de identificación. El regulador de temperatura, una vez configurado para cada sonda de temperatura, puede ordenar los datos digitales. Las sondas de temperatura son de ControlByWeb.com y el número de parte es: X-DTS-U.