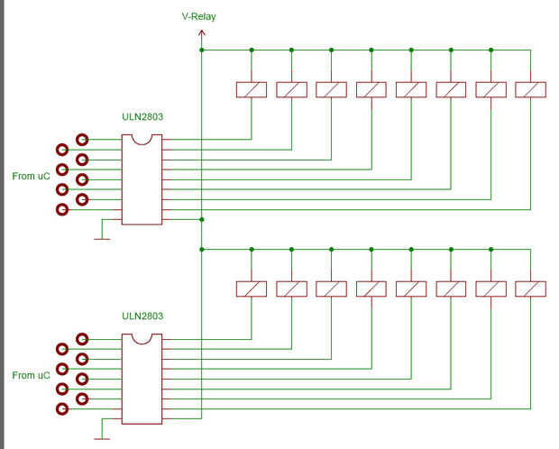
Paso 4: Conexión de relés para un proyecto utilizando ULN2803




Esto muestra un proyecto que lleva 16 relés. Como puede verse, el espacio ocupado por los conductores del ULN2803 son mínimos, y el esquema de los terminales de los ULN2803 hace muy sencillo de incorporar en el PCB.
Las cabeceras a la derecha de los ULN2803 se utilizan para conectar a cada relé. Esto hace que el relé PCB simple, con sólo una fuente de conexión y una conexión al relé.
Así que usted puede preguntar, hay alguna manera para mejorar en este diseño...