Paso 8: Conexión a ADC


Un ADC paralelo puede utilizarse para tomar una muestra en el flanco ascendente de la señal de reloj y salida de la muestra en los pines de datos en el borde descendente. El objetivo es el ADC en la frecuencia de muestreo requiere del reloj y leer todos los pines de datos entre cada muestra.
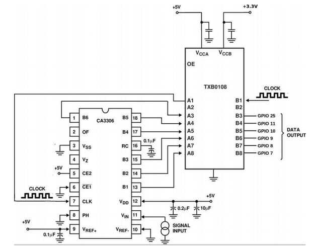
Nuestro módulo de kernel es listo ahora un ADC es necesario para proporcionar los datos de entrada. Para este artículo, se utilizó un CA3306 ADC de Intersil. Se trata de un ADC de MSPS 15 de 6 bits con un paralelo leer. Este ADC es muy barato y rápido. Muchos otros chips ADC con la lectura paralela podrían utilizarse, aunque es necesario comprobar la hoja de datos para los datos de conexión y ajustes de velocidad de reloj, etc...
Para las ADC, 6 bits implica que entre el nivel de tierra (0V) y el voltaje de referencia (5V) hay 64 divisiones para representar la señal. Esto es bastante, pero es suficiente para aplicaciones simples. Las ADC opera con lógica de 5V, pero la frambuesa Pi utiliza lógica de 3V3. Por lo tanto, un convertidor de nivel es necesario para proteger la Pi frambuesa contra el daño. La forma más sencilla de lograr esto es utilizar un convertidor de nivel dedicado, como el TXB0108 de Texas Instruments. Para asegurar que se obtienen lecturas estables de la ADC, se recomienda que una fuente de 5V separado se utiliza como tu VREF + y VDD alimentación. Esto evitará caídas de voltaje que pueden ocurrir si la alimentación es compartida con el Raspberry Pi. Sin embargo, puede usarse una conexión común de tierra (GND) para la alimentación externa, ADC y Raspberry Pi.
Se adjunta diagrama del circuito, conectar por consiguiente, para frambuesa pi.













