Paso 2: Diseñar su circuito


Explicación del circuito
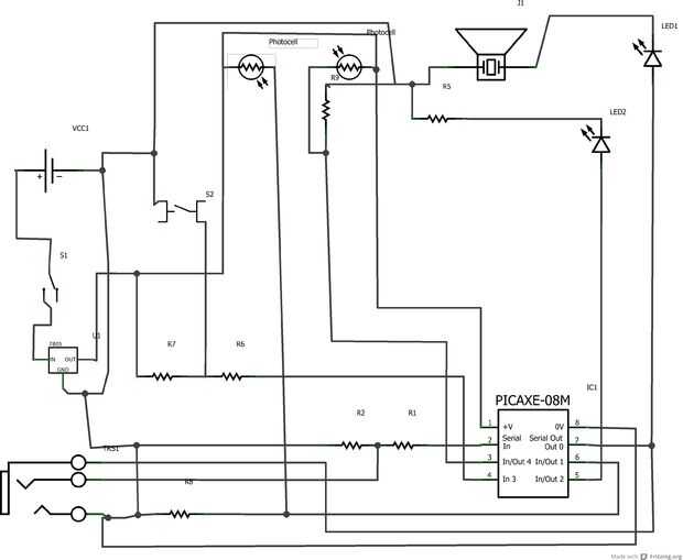
Si abres "Picaxe Manual 3 - circuitos de interfaz" en el menú ayuda del Programa Editor Picaxe, usted encontrará que hay muchas maneras de interactuar con el Picaxe 08M. A interface con dos salidas: LED y un Peizo sonda. Y nos va interfaz con tres circuitos de entrada: un interruptor y dos "luz dependiente resistencias" (fotoresistor o fotocelda).
Nos también se alambre el circuito puede ser alimentado por una batería de 9V con un interruptor de encendido y puede ser reprogramado sin desmontaje. Mi esquema le mostrará cómo hacer cada uno de ellos, sin embargo, leer y entender el manual sobre estos temas pueden ayudar a modificar este proyecto con sus propias ideas.