Patín de Arduino velocímetro (2 / 5 paso)

Paso 2: La electrónica

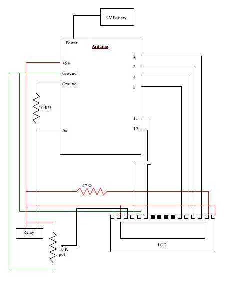
El siguiente paso es obtener toda la electrónica funcionamiento. El diagrama del circuito se puede ver aquí. Las conexiones rojo indican el apego a la Arduino + 5V pin y las conexiones verdes con conector de tierra de Arduino.  Usted tendrá que soldar (y probablemente también calor reducir) sus puntos de conexión para garantizar que el circuito no corta sí mismo hacia fuera. Esto también asegurará que las conexiones (y por lo tanto velocímetro) no fallan mientras se está utilizando. Puedes conectar todo a través de un pequeño trozo de placa de Arduino. Usted puede atar con alambre la maceta, tierra y + 5V componentes en esta placa para minimizar las conexiones a los pines de Arduino reales. Esto evitará que su electrónica más organizada y más fácil trabajar con. También es importante considerar donde usted se ser montaje de la pantalla LCD antes de cable de todo. Dependiendo de donde elegir montar la pantalla, puede ser necesario tomar medidas para asegurar que esta conexión es posible una vez que el LCD está conectado a. Por ejemplo, desde que montó la pantalla LCD en mi tablero y había el cableado vaya a través de un pequeño orificio que tenía que poner la pantalla en su lugar y ejecutar el cableado a través del orificio a la pantalla LCD antes de que todo lo conectado.

Artículos Relacionados

Arduino moto velocímetro/odómetro

Arduino moto velocímetro/odómetro

construí un Arduino velocímetro y odómetro para bicicleta. Para información adicional, visite mi sitio web:http://jdeboi.com/pimpmybike/
Velocímetro utilizando Arduino y procesamiento

Velocímetro utilizando Arduino y procesamiento

Hola a todos, esta es mi primera publicación de Instructables. Voy a contarte cómo hacer un velocímetro con Arduino y procesamiento. La cosa fresca sobre el uso de procesamiento aquí, es que usted puede hacer su fresca mirada de velocímetro como se m
Velocímetro GPS Arduino con un ks0108 - GLCD 128 x 64 (exhibición)

Velocímetro GPS Arduino con un ks0108 - GLCD 128 x 64 (exhibición)

Quería construir un velocimetro digital de mi coche. No había nada malo con uno ya instalado en mi coche, sólo quería tener una gran pantalla LCD que se colocará en una posición más conveniente - justo en frente de mí. Y como no quiero trastear con c
Velocímetro de bici Arduino

Velocímetro de bici Arduino

controlar su velocidad con Arduino. Este proyecto utiliza un interruptor magnético (también llamado un interruptor de láminas) para medir la velocidad de una de las ruedas de la bicicleta.  El Arduino calcula el mph y enviar esta información a la pan
Velocímetro de bicicleta "Analógico"

Velocímetro de bicicleta "Analógico"

En este instructable voy a mostrar cómo hacer un velocímetro "análogo" fácil utilizando un arduino nano, un servo motor y algunos componentes extras más.Es la parte analógica del proyecto sólo en la pantalla de la velocidad, todas las de detecci
Velocímetro de B-Daman

Velocímetro de B-Daman

"Papá, ¿existe algo que podemos construir para medir la velocidad de una canica de B-Daman?Ahora es el tipo de pregunta un padre geek ama.Este proyecto está construido con Arduino, una computadora programable barata en un tablero de circuito. Permite
Velocímetro con gráficos LCD de la bicicleta

Velocímetro con gráficos LCD de la bicicleta

Se trata de una computadora de la bicicleta de la función de multi que he diseñado con una gráfica monocromática de 128 X 64 pantalla LCD.Esto tiene reloj de tiempo real, así como un sensor de temperatura. Datos medidos se pueden demostrar ya sea en
MEDIATEK LinkIt un velocímetro

MEDIATEK LinkIt un velocímetro

¿Te has preguntado qué tan rápido se va mientras monta en bicicleta? ¿Quieres un velocímetro super exacto para tu coche? ¡ Aquí está! Se utiliza la Junta LinkIt uno!El LinkIt uno es un mucho como el Arduino Uno, excepto con las características adicio
Coche redundante verdad velocímetro

Coche redundante verdad velocímetro

Un velocímetro en un automóvil siempre muestra hasta 10% de muy alta velocidad. GeneralmenteEsto es alrededor de > 5% mucho. Esto es definitivo no lo. Esperar de un instrumento de medición en un coche caro, quiero saber exactamente qué tan rápido est
DIY velocímetro y odómetro

DIY velocímetro y odómetro

Hola chicos, este un instructivo de como hacer un velocímetro de bicicleta. sí, has leído lo bien que usamos en el coche pero solo por 10$. Bien el primero para que sepas es que este es el proyecto colaboró de Mr_DIY_Electrician y paurushthemaker. As
Hacer un velocímetro barato montar su bicicleta

Hacer un velocímetro barato montar su bicicleta

si alguna vez compraste un velocímetro barato como yo lo hice, las ocasiones son tienes que ser creativo para ajustarse a su manillar. Especialmente si has intentado encajar a las barras más grandes en una bici de carrera. Los seguros de los soportes
Limpia y elegante instalación del velocímetro de la bici

Limpia y elegante instalación del velocímetro de la bici

alguien que nunca ha instalado un ordenador/velocímetro de bicicleta sabe el problema.  ¿Cómo Enrute el cable de speedo en una forma que es tanto apuesto y mantiene fuera de los radios y rueda?  ¿Por qué me dan 10 pies del alambre?  ¿Por qué sólo hay
(actualizado) Ajuste de iluminación LED y un speedo digital en una lámpara de velocímetro de bicicleta vintage

(actualizado) Ajuste de iluminación LED y un speedo digital en una lámpara de velocímetro de bicicleta vintage

Desde un largo mientras tuve este antiguo "Radsonne Ratar" bicicleta ocupando espacio en mi bandeja de partes de la lámpara. Tenía construido en velocímetro que estaba roto. Cuando estaba buscando una lámpara para mi última bicicleta, repentinam
Tacómetro de un velocímetro de bicicleta (ciclocomputador)

Tacómetro de un velocímetro de bicicleta (ciclocomputador)

a veces sólo tienes que saber qué velocidad una rueda o eje o motor está girando.El dispositivo de medición de velocidad de giro es un tacómetro. Pero son caras y no fáciles de encontrar.Baratos y fáciles de hacer uno con un velocímetro de bicicleta