Paso 5: Configuración del hardware


OK, conectar la tarjeta arduino al ordenador. El croquis adjunto en el editor de la carga, compilar y cargar en la tarjeta. No debe tener errores.
(Nota: el proceso de flasheo fue sacado de este otro Instructable: gracias! No tomar créditos...)
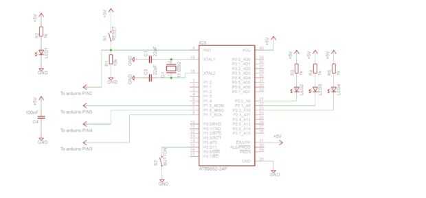
Seguir el esquema adjunto para el AT89S52 de alambre (véase el cuadro para más detalles). Es muy similar que otras ATMEL microcontroladores (ATTINYs y ATMEGAs...), la principal diferencia es el pin RESET, ahora tirado abajo de resistencia de 10 k. También, poner el pin 31 (& - VPP) a 5V, significa que el chip utilice su memoria interna para ejecutar el programa.
Conecta la placa arduino al chip AT89S52:
Arduino / AT89S52
- digital 2 / física patillas 9 (reset)
- pin digital 3 / perno 8 (P1.7, MOSI)
- pin digital 7 4 / perno (P1.6, MISO)
- pin digital 5 / perno 6 (P1.5)
Usamos el pin de 5v de arduino para alimente en el chip:
- 5V de Arduino: pin 40 del AT89S52 (Vcc)
- Arduino GND: pin 20 del AT89S52 (GND)