Paso 9: Utilice una pantalla de LCD



OK, un poco más complicado: vamos a poner una pantalla LCD.
Vamos a utilizar una pantalla de LCD estándar de 1602. Mina llegó con una agradable luz de fondo azul.
Siga este cableado, el resto del circuito es el mismo (usted puede mantener los leds, si quieres...)
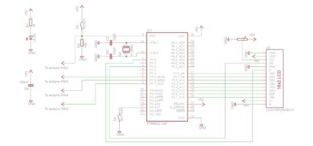
Pinout de módulo del LCD, de izquierda a derecha, conector en la parte superior: 1 2 3 4 5 6 7 8 9 10 11 12 13 14 15 16
- pin 1 de la LCD: GND
- Pin 2: VCC 5v
- PIN 3: contraste, perno central del potenciómetro 10 k
- Pin 4: p1.2 (RS)
- pin 5: p1.1 (RW, conectado a la tierra aquí)
- PIN 6: p1.0 (E)
- PIN 7: p2.0 (D0)
- Pin 8: p2.1 (D1)
- PIN 9: p2.2 (D2)
- PIN 10: p2.3 (d3)
- PIN 11: p2.4 (d4)
- pin 12: p2.5 (d5)
- PIN 13: p2.6 (d6)
- PIN 14: p2.7 (d7)
- PIN 15: fuente de alimentación de luz de fondo (si el módulo tiene una)
- pin 16: planta de luz de fondo
Afortunadamente, mi tabla de desarrollo contiene directamente un puerto para conectar la pantalla. Tuve que comprobar manualmente las conexiones, ya que no tengo los esquemas de esta junta.
Aprendí casi todo en esta página web: http://www.dnatechindia.com/Tutorial/8051-Tutoria...
Ojo, el código en su página contiene algunos errores.
Otra vez, compilar este archivo nuevo y cargar en el chip. Compruebe el bote de contraste para obtener una buena representación de las letras.
¿Cómo funciona el programa? La pantalla es impulsada mediante el envío de comandos. Primero inicializamos la pantalla, ajustando su tamaño, el comportamiento del cursor, el tamaño de fuente... Luego, ponemos transparente a la pantalla, luego enviamos cada personaje uno por uno.
Enviar un carácter o un comandos funciona del mismo modo: los datos se cargan en el registro acumulador, entonces se llama a una función (lcd_datadisplay para los personajes, lcd_command para comandos del sistema). La última parte del programa contiene las funciones usadas para manejar la pantalla y una función de retardo.