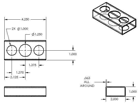
Paso 4: Cortar los agujeros en las piezas rectangulares



Si no tienes tal big fresa o broca, puede utilizar una barra aburrida para hacer los agujeros lo suficientemente grandes.
Alternativamente, podría perforar un pequeño agujero, ejecutar la hoja de una sierra de marquetería o sierra de cinta fina por el agujero y entonces cortar los agujeros con la mano.