Paso 3: Corte rectangular tubo a la longitud: uno 14" pieza y un 4-1/4" pieza



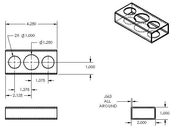
Mientras estás en él, corte 1 pulgada cuatro rectángulos de 2 pulgadas de su chapa de 1/16 de pulgada. Estos serán los casquillos para las piezas rectangulares.
Mientras estás en él, corte 1 pulgada cuatro rectángulos de 2 pulgadas de su chapa de 1/16 de pulgada. Estos serán los casquillos para las piezas rectangulares.