Paso 1: Esquema y piezas


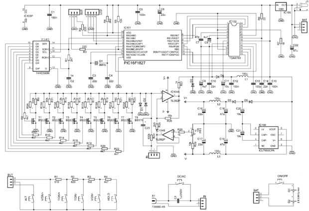
La parte principal es PIC16F1827 micro controlador a 32 MHz (X 4 PLL de cuarzo de 8 MHz).
La pantalla es QC12864B - 128 por 64 píxeles LCD gráfico conectado en modo serial. Utiliza un chipset controlador de ST7920. Información sobre él aquí.
Тo conseguir mayor muestreo tasa externa ADC - TDA8703 - con salida en paralelo de 8 bits. Funciona a 4MHz - es la máxima velocidad a la que este microcontrolador puede leer datos.
El circuito de entrada es un divisor mediante transistores BS170, controlado por el shift register 74HC595N (micro controlador no tienen suficientes pernos). TL082P se utiliza para amplificar y traza vertical desplazamiento (offset). Este amplificador operacional es muy lento y no apto para pulsos sobre 5... 6 kHz, pero no tenía observando mejor. Si lo hace Utilice algo como AD823 o OPA2350.
La tensión negativa para el amplificador operacional se obtiene mediante el circuito integrado de ICL7660A de Intersil.