Paso 2: Conexión a shiftRegisters


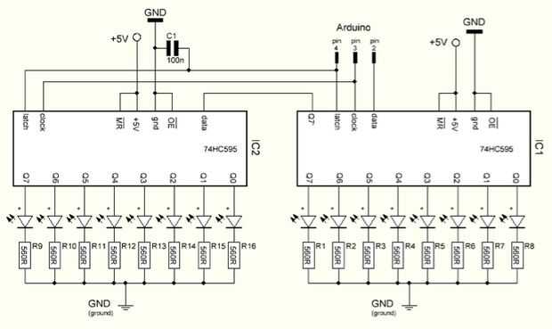
Tomar dos 74HC595 shift registros
unirlos con registro de desplazamiento de 16 bits de forma perno serial del primer registro de cambio de conexión al pin de datos del segundo registro de desplazamiento
Combinan pernos de cierre en forma individual, como los pernos de reloj sabio se combinan para formar uno solo
Conectar el pin enable (activo bajo) con conector de tierra en tanto registro de
conectar el master reset pin (activo bajo) pin a Vcc en ambos registros
esta forma de conexión un desplazamiento de 16 bits registro
ahora Conecte el a, b, c, d, e, f, g, pernos del punto del LED a Q0, Q1, Q2, Q3, Q4, Q5, Q6, Q7 clavijas del primer registro de cambio
Ahora conecte la Base de los transistores, primer LED Transistor Base Pin a segundo turno registro Q0 pin, segunda Base del transistor a Q1, tercera a Q2, cuarto a Q3
Ahora la puesta en marcha se ha completado la codificación siguiente