Motor elevador de paso (4 / 7 paso)

Paso 4: Configuración del circuito

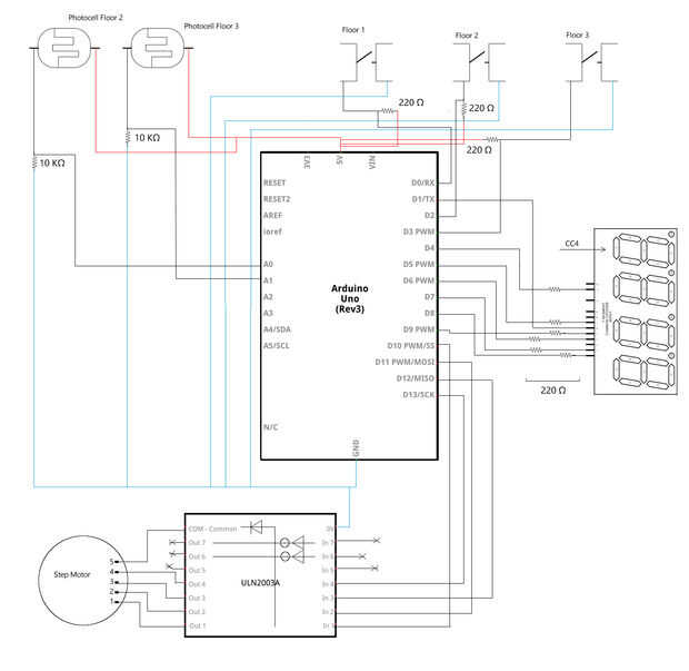
Aquí puedes ver un esquema de Fritzing de mi circuito de protoboard y un esquema del circuito de la misma. Esto es para que tengas una referencia de cómo configurarlo. También hay una foto de la primera completamente prototipo.

Algunos detalles:

  • Resistencias conectadas a los botones y la pantalla tienen una resistencia de 220 ohmios.
  • Resistencias conectadas a las fotocélulas tienen una resistencia de 10 Kohmios. Estas son resistencias de pull-down.

Artículos Relacionados

Biblioteca de Arduino para Motor 28BYJ-48 paso a paso y controlador ULN2003

Biblioteca de Arduino para Motor 28BYJ-48 paso a paso y controlador ULN2003

El motor paso a paso 28BYJ-48 con el controlador ULN2003 ahora parece una configuración común. El motor y el controlador son fácilmente disponibles y baratos. Sin embargo, la biblioteca de motor de pasos de arduino estándar simplemente no funciona co
Motor Bi Polar paso a paso con L293D y Arduino

Motor Bi Polar paso a paso con L293D y Arduino

Hola,Tenía un motor de pasos de Bi Polar de mentira, que va a utilizar para crear un carro para mi DSLR.Componentes utilizados:Arduino UnoPaso a paso Motor ML17A3 B (este es el modelo no en motor)ProtoboardL293DBatería de 9VAlgunos cables de puentePa
Motor de pasos bipolar

Motor de pasos bipolar

tuve algunos motores paso a paso de impresoras HP rotas, disco duro y otros dispositivos electrónicos, así que pensé que sería una buena idea para hacerlas funcionar.al principio empecé con motor de pasos unipolar (5,6 cables) con controlador ATMEGA8
Reutilización de un Motor paso a paso

Reutilización de un Motor paso a paso

Este instructable le mostrará cómo reutilizar un viejo motor paso a paso que encontré en el almacén de basura para la enseñanza increíble en Gardina CA. Este recurso para educadores de casas industriales elenco-offs que se podrían utilizar en el aula
Cómo usar un Motor de pasos

Cómo usar un Motor de pasos

Si nos importa admitirlo o no, motores pueden encontrarse de todo en nuestra vida cotidiana; sólo tienden a ser ocultados. Motores están presentes en vehículos, impresoras, computadoras, lavadoras, maquinillas de afeitar eléctricas y mucho más.Sin em
Paso a paso lo básico Motor - Motor de 5 cables Unipolar / Bipolar

Paso a paso lo básico Motor - Motor de 5 cables Unipolar / Bipolar

Fundamentos de MOTOR paso a paso - 5 cables UNIPOLAR / BIPOLAR MOTOR ejemplo.Los conceptos básicos sobre cómo trabajan el motor paso a paso, regulador de paso a paso y controlador paso a paso.Nota: Hay ligeras diferencias en funcionamiento la variant
Paso a paso lo básico Motor - Motor de 6 cables Unipolar / Bipolar

Paso a paso lo básico Motor - Motor de 6 cables Unipolar / Bipolar

Fundamentos de MOTOR paso a paso - 6 cables unipolares / bipolares MOTOR ejemplo.Los conceptos básicos sobre cómo trabajan el motor paso a paso, regulador de paso a paso y controlador paso a paso.Nota: Hay ligeras diferencias en funcionamiento la var
Paso a paso lo básico Motor - Motor Bipolar 4 cables

Paso a paso lo básico Motor - Motor Bipolar 4 cables

Ejemplo Básico de MOTOR paso a paso - 4 hilos MOTOR BIPOLAR .Los conceptos básicos sobre cómo trabajan el motor paso a paso, regulador de paso a paso y controlador paso a paso.Nota: Hay ligeras diferencias en funcionamiento la variante diferente de m
Motores de pasos de Arduino

Motores de pasos de Arduino

Cuando necesitamos precisión y repetibilidad, un motor paso a paso siempre es la solución. Con la forma en está diseñado, un paso a paso puede solo pasar de un paso a la siguiente y se fijan en esa posición. Un motor típico tiene 200 pasos por revolu
Introducción a motores paso a paso

Introducción a motores paso a paso

Si alguna vez has tenido el placer de desmontar una impresora más viejo para salvar componentes electrónicos (recomiendo esta actividad de fin de semana si no lo has hecho antes!) usted puede haber llegado a través de una serie de misterio cilíndrico
Bipolar interruptor paso a paso Motor conductor de TB6560 Microstepping

Bipolar interruptor paso a paso Motor conductor de TB6560 Microstepping

en este artículo describiré cómo he construido paso a paso controladores de motor para aproximadamente $10USD un pedazo. Se incluirán un esquema completo, diseño muestra y enlaces a vídeos de YouTube del conductor bajo reloj y ordenador de control.Al
Reloj de engranajes con accionamiento de Motor paso a paso de madera

Reloj de engranajes con accionamiento de Motor paso a paso de madera

Sin embargo otro reloj con engranajes de madera. Este diseño fue inspirado por Instructable de DickB1 (se muestra a continuación en la parte inferior).Sin embargo, en lugar de manejar el reloj con un péndulo magnético pulsado, usé un motor de pasos p
Tus pasos Z de cableado motores en serie

Tus pasos Z de cableado motores en serie

Este instructivo está diseñado para propietarios de RepRap y otras impresoras 3d que utilizan 2 motores paso a paso para el eje Z, como comúnmente-visto en los estilos Prusa o Mendel de impresoras, entre muchos otros.La configuración predeterminada p
Plotter DIY con motores paso a paso

Plotter DIY con motores paso a paso

Un plotter XY es una máquina que puede controlar un instrumento de trazado (como una pluma o una herramienta de corte como una cuchilla o un láser) sobre dos ejes de manera exacta y precisa. Máquinas de Control numérico (CNC) de la computadora son pl