Motor de pasos bipolar (4 / 5 paso)

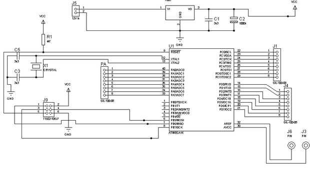
Paso 4: Circuito de control

Regulador Micro cualquier trabajará para este circuito depende de lo que tienes en el mercado y el precio, en mi caso hice circuito de desarrollo Atmega16 simple como se muestra en la imagen.
Tenga en cuenta cristal que se muestra en el diagrama no está conectado.

para programar Atmega16 utilizar AVR ISP de MKII (en dispositivo programador de sistema).

Artículos Relacionados

Motor de pasos bipolar con Keyes L298N de conducción

Motor de pasos bipolar con Keyes L298N de conducción

Comúnmente la gente utiliza Darlington Array para controlar motores paso a paso como el ULN2003 o ULN2004. Aquí quiero mostrarte cómo utilizar L298N controlador de Motor Dual para conducir un motor de pasos bipolar de 4 hilos. Bueno, puede ser más ca
Encontrar pares de bobina de Motor de pasos Bipolar

Encontrar pares de bobina de Motor de pasos Bipolar

hay una manera muy fácil averiguar que dos conjuntos de cableado están emparejados en un motor de pasos bipolar. Conseguir un LED y mantenga el ánodo y el cátodo a cualquiera de las dos conexiones eléctricas del motor (respectivamente). Gire el eje d
Controlador de Motor paso a paso bipolar

Controlador de Motor paso a paso bipolar

Para experimentar el paso a paso bipolar motor con Arduino, muchos se utilizará protector motor L293, lamentablemente no puedo encontrar uno, he intentado construir de artículos alternativos, afortunadamente todavía tenemos el Dios Google para cumpli
Cómo usar un Motor de pasos

Cómo usar un Motor de pasos

Si nos importa admitirlo o no, motores pueden encontrarse de todo en nuestra vida cotidiana; sólo tienden a ser ocultados. Motores están presentes en vehículos, impresoras, computadoras, lavadoras, maquinillas de afeitar eléctricas y mucho más.Sin em
Motores de pasos de Arduino

Motores de pasos de Arduino

Cuando necesitamos precisión y repetibilidad, un motor paso a paso siempre es la solución. Con la forma en está diseñado, un paso a paso puede solo pasar de un paso a la siguiente y se fijan en esa posición. Un motor típico tiene 200 pasos por revolu
Brazo robótico con paso a paso bipolar

Brazo robótico con paso a paso bipolar

Resumen:Este proyecto trata sobre la creación de un brazo robótico de eje 3 puntos usando motores bipolares, con el brazo siendo controlado por un antiguo controlador de PlayStation2. Además hemos implementado un sensor conectado como ventilador pequ
Convertir un motor de pasos unipolar a bipolar

Convertir un motor de pasos unipolar a bipolar

Motores paso a paso son increíbles: con ellos puede construir impresoras 3d, brazos robóticos, persianas automáticas y asustar a los vivos sh * t de tu esposa con autónoma apoyos móviles de halloween. Obteniendo un motor paso a paso siempre trae esa
Conducción de motor de pasos de M35SP-9 con microcontrolador (18F452)

Conducción de motor de pasos de M35SP-9 con microcontrolador (18F452)

Esto fue puramente un experimento educativo que hice para mí, pero ya que me tomó un tiempo para la investigación impartido compartirlo con el mundo.Paso 1: El PCBPara conducir el motor paso a paso, he utilizado una placa de relé que he hecho un par
Seguidor-solar Solar con motores a paso + Arduino

Seguidor-solar Solar con motores a paso + Arduino

Con el enorme gusto de algunas personas les haya agradado mi primer instructivo: Deshidratador solar + Arduino les bendecido un nuevo proyecto realizar, se trata de las Naciones Unidas seguidor-solar solar, ningún pecado antes de mencionar mi inspira
Intel Edison: Configuración de Motor de pasos

Intel Edison: Configuración de Motor de pasos

Motores paso a paso son un tipo especial de motor eléctrico que puede ser utilizado para maniobras de precisión. Incluso un pequeño motor de pasos de puede producir un montón de esfuerzo de torsión, que es una adición valiosa para el Grove Kit utiliz
DIY caja de engranajes planetario para motor de pasos Nema17

DIY caja de engranajes planetario para motor de pasos Nema17

Quería construir una caja de engranajes pequeña y ligera para un motor paso a paso (excusa: para la construcción de un extrusor de luz para un 3D impresora - no confiar en la configuración de bowden, y el conductor rescatado no tenga suficiente para
Motor de pasos sensibles de Arduino luz

Motor de pasos sensibles de Arduino luz

He subido con una manera simple de hacer un movimiento de motor paso a paso de una posición a otra basada en la iluminación en una habitación. Con un puñado de componentes básicos tenía por ahí, sin necesidad de motor de lujo / protectores de paso a
Robot Scara casera brazo trazador robótica sorteo Motor de paso a paso DIY marco aluminio 2

Robot Scara casera brazo trazador robótica sorteo Motor de paso a paso DIY marco aluminio 2

Robot Scara casera brazo trazador robótica sorteo Motor de paso a paso DIY marco aluminio 2Materiales:2 piezas 42 mm motor Nema Stepper 1,8 grados4 PC 20 GT2-6 polea del GT2 y 700 mm x 2 GT2 correa KIT para correa de impresora 3D2 piezas movimiento l
Ejecuta un Motor de pasos Unipolar con un controlador Bipolar

Ejecuta un Motor de pasos Unipolar con un controlador Bipolar

así que destruyó una impresora vieja ayer por la noche y encontré unas barras, motores y engranajes para acopio de mis partes.Comencé a escribir detalles motor en Google e identificó a uno como un paso a paso de 12V, pero la hoja de datos es muy limi