¿Monopatín con LEDs y microcontrolador PIC (4 / 8 paso)

Paso 4: Construir el circuito

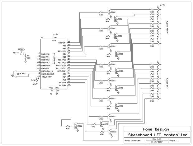
Este circuito está basado en un microcontrolador PIC16F870. Este controlador fue elegido debido al número de pines de entrada/salida y el hecho de que tengo un programador para este chip. La entrada es un pulsador único que ciclos a través de cada uno de los 15 patrones intermitentes de LED. Las salidas de impulsión interruptores de transistor, que enciende los LEDs individuales. Los interruptores del transistor se utilizan para mantener la disipación de energía a través del microcontrolador bajo el máximo especificado (200 mA máx.). La fuente de alimentación del circuito es un kit de LM317 ligeramente modificado que está disponible en Kits de Ramsey. La alimentación fue elegida porque el circuito va ser potted (desmantelamiento de epoxy del rellenado) y el LM317 no requiere un disipador de calor. El kit proporciona un circuito hecho listo y piezas para construir la fuente de alimentación, entrada de corriente continua es proporcionada por seis pilas de AAA (9 voltios). Ya que el kit está diseñado para aceptar la entrada de energía AC, quité el puente rectificador de diodos y tapa grande como mi entrada ya es DC. La potencia de salida se ajustó para obtener 5 voltios para el microcontrolador y el completos 9 voltios se utilizan para alimentar los LEDs. Todo el circuito fue probado en un tablero de pan, entonces construido sobre un tablero de prototipo de shack de radio. La lista de piezas se puede derivar el esquema. También se adjuntan el código ensamblador y el video de la prueba.

Editado: Aquí está el video de YouTube:

Artículos Relacionados

¿Cómo a parpadear un Led con el microcontrolador PIC?

¿Cómo a parpadear un Led con el microcontrolador PIC?

Este tutorial es para principiantes de microcontrolador PIC.* pasos para instalar el MP Lab* pasos para instalar el compilador xc8* Programa para abrir y cerrarConstrucción de proyecto y grabarlo en el pic McPaso 1: Componentes necesarios 1) PIC16F88
Medidor de LYT de LED: LED microcontrolador PIC y código promedio móvil

Medidor de LYT de LED: LED microcontrolador PIC y código promedio móvil

Hola a todos, gracias por sacar mi primer Instructable. Han disfrutado de ver sus creaciones en los años y me encanta lo que ustedes están contribuyendo. Este proyecto es una vuelta al lado de una que vi recientemente aquí y tengo que dar un grito ha
Inversor de onda sinusoidal pura con microcontrolador pic

Inversor de onda sinusoidal pura con microcontrolador pic

Inversor de onda sinusoidal pura con microcontrolador pic está diseñado en este proyecto. Núcleo de ferrita o chopper en onda sinusoidal pura inversor está diseñado en este proyecto. Hay dos partes principales de este proyecto1.convertidor de DC a DC
Módulo inalámbrico Radio frecuencia con microcontrolador PIC.

Módulo inalámbrico Radio frecuencia con microcontrolador PIC.

Es un microcontrolador basado en proyecto de electrónica DIY. El nombre de módulo inalámbrico RF con microcontrolador PIC. El módulo de RF es un pequeño circuito electrónico utilizado para transmitir, recibir, o las ondas de radio transceive en uno d
Mejorar la exhibición de fibra óptica con LED y el microcontrolador.

Mejorar la exhibición de fibra óptica con LED y el microcontrolador.

Este árbol de los bonsais óptica fibra preciosa estaba muerto, la fuente de alimentación era nada ser encontrado, pero más importante, el motor estaba muerto. Se trataba de un motor de giro lento que no es algo que puedo encontrar un reemplazo fácil
Entretela de 16 X 2 LCD con microcontrolador PIC

Entretela de 16 X 2 LCD con microcontrolador PIC

aquí, usted aprenderá a interfaz 16 x 2 LCD al microcontrolador PIC18F4550 que es de la familia PIC18F. PIC18F4550 es un microcontrolador de 8 bits y utiliza la arquitectura RISC. PIC18F4550 tiene 40 pines en PDIP (en paquete de línea dual) y 44 pin
Medición de la frecuencia de la onda de seno con microcontrolador pic

Medición de la frecuencia de la onda de seno con microcontrolador pic

Proyecto de medición de frecuencia de la onda de seno está diseñado con microcontrolador pic. Este proyecto mide la frecuencia de la onda de seno. Cero técnica de detección de cruce se utiliza para medir la frecuencia de la onda de seno. Se ha hecho
Programación de microcontroladores PIC

Programación de microcontroladores PIC

microcontroladores PIC están una herramienta muy útil y versátil para su uso en muchos proyectos electrónicos. Son muy baratas y fáciles de encontrar. También son muy potentes y muchos son capaces de velocidades de hasta 64 MIPS utilizando el bloque
Programador de microcontroladores PIC 16F917

Programador de microcontroladores PIC 16F917

en este instructable, te voy a mostrar cómo construir un microcontrolador PIC 16F917 programación circuito. Este microcontrolador es una forma de chip microcontrolador muy bonito el fabricante famoso chip Microchip.Este microcontrolador es fácil de p
Introducción a microcontroladores PIC

Introducción a microcontroladores PIC

un mínimo de lo que necesitas para empezar a programar micros PIC para el uso en proyectos de electrónica (robótica, etc.)Paso 1: Lo que usted necesita para el proyecto Nota: parece que si tienes windows XP, no hay ningún software de programador PIC
Simon Says con LEDs y sonido

Simon Says con LEDs y sonido

Hola y Bienvenidos de nuevo a Instructables!Todos muchos de nosotros han jugado Simon Says donde inevitablemente te encuentras saltando alrededor en un pie mientras elefante ruidos y te preguntas a ti mismo por qué nunca fue una buena idea de decir "
GSM base versátil robot vehículo usando microcontrolador PIC

GSM base versátil robot vehículo usando microcontrolador PIC

este proyecto está diseñado para desarrollar un vehículo robótico que puede ser controlado por un teléfono celular. Comandos DTMF de un teléfono envían a otro celular que se monta en el vehículo robótico. Estos comandos son alimentados a un microcont
Red con LEDs

Red con LEDs

Primero de todos RIP Ingles: pHola chicos en este instructables voy para mostrarle cómo conectar leds a principal fuente (230v) y pocos proyectos usarlo. La esperanza de enfermos que lo disfruten.Cada mal paso mostrarle diferentes proyectos y esos pr
Autenticación de la persona mediante detección de la cara por el PC y el microcontrolador (PIC, Arduino,...)

Autenticación de la persona mediante detección de la cara por el PC y el microcontrolador (PIC, Arduino,...)

En este video, he implementado la autenticación de la persona con detección de rostros y reconocimiento utilizando C# y Emgu (envoltura de OpenCV para. net) y microcontrolador PIC o Arduino conectado al puerto serie.Los tutoriales que me ayudan a hac