Paso 1: Construir el circuito

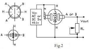
El MQ-3 tiene 6 pines. Hemos soldado los cables a cada pin para conectar otros componentes. El mediados pines están conectados al calentador. Conectamos los cables a un + fuente de alimentación de 5V DC. Los otros pines son para conectar una fuente de alimentación y leyendo un voltaje. Se utilizó una fuente de alimentación DC 5V y el terminal positivo fue conectado al pin de arriba "A" y la tierra fue conectada al pin de "A" inferior. El voltaje de salida fue leído desde el perno superior de la "B" y el pin de "B" de fondo fue conectado a tierra.
Nos suelda estos cables a un tablero de circuito para hacer las conexiones más permanente y compacta.