


He sido un chico audio durante mucho tiempo y un DIY'er ávido. Que significa mi tipo favorito de proyectos se relacionan con Audio. Yo también soy un firme creyente de que para un proyecto DIY para estar fresco tiene que ser uno de dos resultados para que el proyecto vale la pena hacerlo. Tampoco tiene que ser algo que no puede conseguir comercialmente, o algo puede construir a usted mismo es manera más baratas que lo que está disponible comercialmente. Este proyecto es de la segunda clase. Construir un micrófono de LDC barato pero bueno. LDC está parado para el "Condensador de diafragma grande". Este proyecto se puede construir por unos $50 en piezas y rivales micrófonos que cuestan mucho más. Es tranquilo, suena muy neutral y manejar grandes SPL (niveles de presión de sonido).
Primero un poco de historia de los micrófonos.
Hay tres tipos básicos de uso para el estudio y sonido directo; micrófonos dinámicos, micrófonos de cinta y micrófonos de condensador. Un micrófono dinámico es como un altavoz pero en sentido inverso. Un diafragma pequeño está acoplado a una bobina de alambre que se mueve cuando el sonido golpea el diafragma. La bobina está en un campo magnético. Cuando se mueve que se genera una pequeña señal eléctrica que luego puede amplificar o grabar representa el sonido. Un micrófono de cinta es similar excepto que la cinta, una tira fina de papel, generalmente de aluminio, se coloca en un campo magnético. Las ondas sonoras provocan la cinta para moverse en el campo y se genera una señal eléctrica. Leer más aquí: micrófonos
Un micrófono de condensador comienza con una membrana muy delgada que tiene metal escupió sobre él para que conduce la electricidad. La membrana es estirada y colocada muy cerca de una placa para formar un condensador. Ryckebusch abuelo solía llamar condensadores condensadores y ahora usted sabe que realmente deberíamos llamarlos micrófonos de condensador... Cuando las ondas sonoras golpeó el diafragma y se mueve, cambia la capacitancia. Si hay una carga en el condensador, habrá un cambio en el voltaje que corresponde con el sonido. Como los otros dos micrófono diseños anteriores, si puedes amplificarán o registran el voltaje, se obtiene el sonido. Hay dos estilos de micrófonos de condensador. Algunos usan un alto voltaje (50-70 voltios) para cargar la cápsula de condensador y otros lo que se llama una cápsula Electret. El Electret (electrostática) tiene una carga permanente asociada leer aquí: Electret.
Lo que esto significa para nosotros es que si usamos una cápsula Electret es necesario aplicar 50-60 voltios, que significa el circuito más simple.
uno de los beneficios de un micrófono de condensador es que el diafragma puede ser muy ligero y es más fácil conseguir una respuesta de frecuencia suave con uno. La desventaja es que usted se tenga mucho cuidado al bajar la señal del diafragma sin agregar ruido que nos trae a la electrónica.
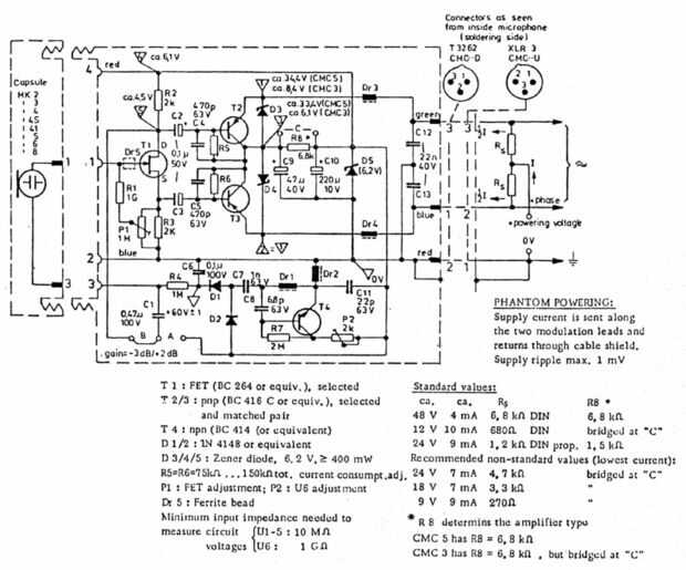
Para sacar la señal de la cápsula es necesario un dispositivo de muy alta impedancia. Tubos tienen este uno cubierto y eran la manera principal de que esto fue lograda hace 40 años. No para entrar en un debate sobre la calidad de sonido de tubos vs cualquier otra cosa, tienes que admitir; través de un tubo dentro de un cuerpo de micrófono no se presta a la simplicidad. O aptitudes para el bricolaje normales! Después el tubo fue inventado el Transistor de efecto de campo o FET. Esto es cómo la mayoría condensador micrófonos trabajan hoy en día. Incluso las cápsulas del micrófono muy barato tienen uno montado internamente. Una empresa alemana Schoeps. sin duda uno de los fabricantes del micrófono superior en el mundo, diseñó un circuito para micrófonos condensadores que define cómo se hizo hace mucho tiempo. Ver el circuito de Schoeps para más detalles. (Si buscas en google "Schoeps circuito" Esto es lo que encuentras!) El circuito funciona apagado de alimentación fantasma del preamplificador de micrófono. Parte de este circuito se utiliza para generar una alta tensión estable para cargar la cápsula. En nuestro caso no necesitamos eso. La comunidad DIY había simplificado este circuito a su forma básica de cápsulas electret que es casi idéntica a la original circuito de Schoeps. Scott Helmke diseñó una versión de este circuito para su micrófono "Alice". Estoy utilizando el mismo circuito con un transistor FET diferentes y valores ligeramente diferentes. Elegí el J305 que es utilizado por varios de los fabricantes de gama alta. Encuentra aquí. Sin duda puede utilizar la lista de piezas de Scott. Su última lista de 2013 y las piezas están disponibles en Mouser y Digikey. Construí el circuito en un perfboard pequeño para caber dentro del cuerpo del micrófono.
Así es como funciona el circuito; Echemos un vistazo a la ruta de señal y la potencia:
La resistencia de 1Gig (sí un Gigaohm...) convierte la señal saliendo de la cápsula. La FET y la dos K 2,43 resistencias forma un divisor de fase y convertidor de impedancia. Los dos condensadores de .47uF par las señales a los dos transistores bipolares. Estos son transistores PNP setup como seguidores de la emisor. Las dos resistencias de 100K sesgo los transistores. Súper simple. Si te estás preguntando sobre el resistor 1gig, es clave para un micrófono de condensador. También es el componente más caro, que llegan a alrededor $2 cada de Digikey. En el lado de alimentación, conectamos el micrófono a la forma de alimentación phantom, un mezclador o preamplificador. Trae 48 voltios en los pines 2 y 3 del conector XLR y dos transistores. Actualización Octubre de 2015: he añadido dos condensadores de 22nF a los jacks XLR y dos resistores de 1% 49 ohmio en las entradas a los transistores para supresión de ruido de RF. No me di cuenta esto hasta que utilicé un preamplificador de micrófono diferentes cuando en un ambiente "ruidoso". Esquema actualizado! La resistencia de 6,8 K y el Diodo zener toman y baje a 12 voltios. Los condensadores de 10uF y 68uf junto con la resistencia de 330 Ohm filtran y proporcionan una tensión estable de los circuitos FET. Una vez más, muy simple y elegante. El componente crítico y no hemos hablado todavía es la cápsula de sí mismo. Estoy usando el TSB2555B de la electrónica de la JLI. es una cápsula de Transound y es lo que hace de este proyecto lo que es. Cuesta $12,95 y utiliza níquel en vez de oro en el diafragma. También se utiliza comercialmente en al menos un micrófono que conozco, el CAD e100s.
Ahora que tenemos la cápsula y electrónica establece, usted podría realmente construir uno de estos en cualquier vivienda que desea. He intentado esto y he aprendido un par de cosas. Debido a la alta impedancia de la cápsula y la electrónica FET, el cable entre los dos actos como una antena y a menos que todo esto es completamente blindado por la pantalla de metal o de metal, tienes todo tipo de ruido. Los zumbidos de 60hz y ruido blanco todos los RF se filtre en él. En esencia, usted necesita poner la cápsula y electrónica dentro de una jaula de Faraday.
Encontré una manera más fácil que el edificio mío. Resulta que hay varios chinos fabrican micrófonos muy baratos que realmente tienen gran metal casos algo decente electrónica (circuito muy similar...) y una pequeña cápsula. Y el costo de $20 dólares. Hacen un cuerpo de grandes donantes, que es lo que nosotros estamos usando para. Buscarlos en eBay buscando por "BM700" y "BM800" micrófonos. Yo tengo la mía por unos $22. Es interesante como se puede ver las fotos no dice BM800 en ella la forma. También vino en un envío de papel con la cubierta de espuma pero sin caja. OK, ahora que hemos cubierto el fondo, vamos a construir uno!
Edición: 9 de octubre: aquí es algunos audio con estos grabación mi orquesta de escuela secundaria de los niños: Guyer HS orquesta de Intermezzo