Mini Joystick (5 / 7 paso)

Paso 5: prueba

tengo tiempo extra así que probé el joystick. Funciona muy bien!

Video de prueba: http://www.youtube.com/watch?v=ZlclnipG3bg&feature=youtu.be

Artículos Relacionados

Mini Joystick con botón de disparo

Mini Joystick con botón de disparo

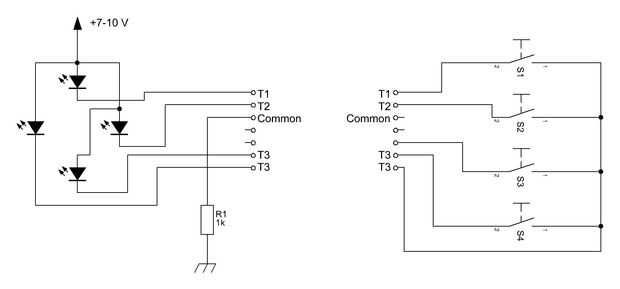
Se trata de un joystick miniatura de unos interruptores y un bolígrafo. Un botón de disparo opcional puede ser agregado si el lápiz es el tipo de clicker. La acción es muy suave y sensible. Un poco de historia sigue así que siéntete libre para saltar
Wireless Joystick _! _

Wireless Joystick _! _

Quizás hayas escuchado sobre joystick utilizado para juegos de azar y en grúas y máquinas grandes, palanca de cambios de coche etc. en estos joystick todo está conectada a la computadora principal, pero en este tutorial te mostraré hacer un joystick
Inalámbrico de Joystick con 2 operaciones

Inalámbrico de Joystick con 2 operaciones

Quizás hayas escuchado sobre joystick utilizado para juegos de azar y en grúas y máquinas grandes, palanca de cambios de coche etc. en estos joystick todo está conectada a la computadora principal, pero en este tutorial te mostraré hacer un joystick
El módulo de interfaz de usuario de LCD

El módulo de interfaz de usuario de LCD

módulo de la interfaz de usuario LCD es un 8 x 2 LCD puesto a contraluz con un mini-joystick, extra grande botón rojo y un LED bicolor para comentarios adicionales. Es una manera fácil de agregar interactividad al proyecto. La pantalla LCD es el HD44
Gabinete de la arcada de micro frambuesa Pi

Gabinete de la arcada de micro frambuesa Pi

Máquina de arcade micro completamente funcional usando un modelo de frambuesa Pi B o B +.Siempre quise una máquina de arcade minúsculo para mi escritorio, me decidí a construir tan pequeño como sea posible. Puede parecer sencillo por fuera pero un mo
Proyecto arcade de frambuesa pi

Proyecto arcade de frambuesa pi

Hola sus seguidores '' joven '',en este proyectos míos que he se ser diciendo sobre uno de mis inventos poco y a cambio me gustaría que presionar el botón de votación para mí en la ficha '' contenidos '' más interesantes proyectos e ideas.'' la histo
Torre de cam Web

Torre de cam Web

durante mi formación tuve que hacer el proyecto con el microcontrolador MSP430. Me decidí a construir la torre de la cámara.De la placa principal usé MSP430 LaunchPad con microcontrolador MSP430G2553. LaunchPad tienen opción para fuente de alimentaci
Mini ballesta controlado por joystick escudo

Mini ballesta controlado por joystick escudo

En este proyecto hicimos una mini ballesta hecha en Impresora 3d controlada por un joystick escudo compatible con ArduinoPaso 1: materialesEdison de IntelTarjeta de expansión de ArduinoJoystick escudo v2.43 servomotores9 puentesPistola de pegamento c
Cómo hacer un Mini de carreras teledirigido

Cómo hacer un Mini de carreras teledirigido

En primer lugar, este es mi primer instructable para que por favor sea suave.Ahora que está fuera del camino, voy a enseñarte cómo construir un mini robot de carreras. Esto es un hobby que ha crecido rápidamente en popularidad y luego de leer este ar
Joystick control brazo Robot utilizando un Arduino

Joystick control brazo Robot utilizando un Arduino

Propósito y descripción de esta guíaEste instructable es una mano para un proyecto escolar que hemos hecho. El propósito de este proyecto era crear un control de brazo robot utilizando thumbsticks. Tuvimos que utilizar un Arduino Uno para el control
Haciendo la tapa joystick señalando que falta en su computadora portátil.

Haciendo la tapa joystick señalando que falta en su computadora portátil.

¿Qué molesto es cuando echamos de menos la tapa de la palanca de mando señala en nuestro portátil? A continuación, vamos a internet buscando y no encontrar, o pasar algún tiempo tratando de encontrar el adecuado para el ordenador y convertirse en car
Máquina mini Arcade desarrollado por Pi

Máquina mini Arcade desarrollado por Pi

El 'Instructarcade' es un self-made bartop mini con controles para un jugador. Con la frambuesa Pi y es pantalla táctil oficial, toneladas de usos son posibles.Ha diseñado principalmente para juegos retro arcade (MAME), pero también emuladores de otr
DIY Wireless Joystick (Wireless Gaming)

DIY Wireless Joystick (Wireless Gaming)

En este instructables les mostraré cómo pueden construir su propio joystick utilizando Arduino y RF transmisor-receptor. He utilizado un módulo de joystick y 5 botones. Con joystick se puede controlar el cursor del ratón y botones puede implementar 5
Ventaja de proyecto: Instalar un famiclone en un Joystick de NES Advantage

Ventaja de proyecto: Instalar un famiclone en un Joystick de NES Advantage

un día este verano yo venía del trabajo y hecho estallar en una tienda de segunda mano. En mi sección favorita, la sección de electrónica, me encontré con un par baratos e impares N64 buscando controladores. Cavando hacia fuera los controladores resu