Medidor digital de Taxi (2 / 5 paso)

Paso 2:


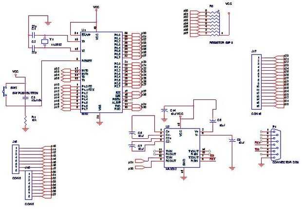
SISTEMA DE DISEÑO PCB

Artículos Relacionados

Agregar un medidor digital a su vieja fuente de alimentación variable analógica

Agregar un medidor digital a su vieja fuente de alimentación variable analógica

mi vieja fuente de alimentación variable comienza a tener algunas imprecisiones en la medición de voltaje con su medidor analógico de 20 años. Entonces decidí agregar un medidor digital, con el cual puedo saber exactamente el voltaje suministrado. Pu
Medidor digital de Gauss

Medidor digital de Gauss

Todo el mundo le gusta los imanes. Jugando con la fuerza mágica invisible de imanes permanentes es de todas las edades.Trasteando con las bobinas, relevadores y muchos otros dispositivos magnéticos necesita a veces una herramienta de medición de dens
Introducción a una tensión de la correa digital medidor.

Introducción a una tensión de la correa digital medidor.

Ya que más o menos he estado haciendo mantenimiento de coche por mi cuenta, siempre quise una tensión digital medidor para asegurarse de que mis cinturones accesorios fueron instalados correctamente. Viene el btt2880 de landtek que vi en Amazon por m
Agregar un medidor de VU a tu PC

Agregar un medidor de VU a tu PC

este instructivo puede consultarse en la web del autor - http://www.neatinformation.com/Si usted enlace a este instructable desde otro sitio web, por favor incluya un enlace a la Web de Información aseado .Este artículo tiene Copyright y no puede ser
Sketch de Arduino para un gráfico retro medidor analógico en una moderna pantalla TFT

Sketch de Arduino para un gráfico retro medidor analógico en una moderna pantalla TFT

Otro sketch de mi colección que puede ser de interés...Mostrando pequeños números digitales de temperatura y humedad etc. en una pantalla pequeña no siempre es la mejor manera de mostrar la información. Los metros analógica de estilo antiguo son mejo
Colector solar Banco Central y sistema de sonido

Colector solar Banco Central y sistema de sonido

DiseñoEsta es nuestra estación de carga solar que alimenta el cuadro de indicadores en los campos de Atletismo de nuestra escuela. Los paneles solares cargan baterías internas del Banco, en la tabla de puntuación. Las baterías de alimentación entonce
"DIY" módulo de humedad y temperatura con Arduino uno

"DIY" módulo de humedad y temperatura con Arduino uno

Este instructable explica el funcionamiento del módulo temperatura y humedad. El módulo es diseñado y construido por mí mismo. Su tiene un medidor digital de temperatura y humedad (DHT11) incrustado en ella. Este sensor permite el módulo de adquisici
VU Meter altavoces

VU Meter altavoces

Un medidor VU es un estándar de medición instrumento que mide el volumen en equipos de audio. Si usted abre los dispositivos de grabación en Windows, puede ver un medidor digital de la unidad de volumen (VU) que muestra el nivel de audio. Tienes pant
Fuente de alimentación linear ajustable

Fuente de alimentación linear ajustable

Compré una fuente de alimentación con selector de voltaje variable de 3 a 12 voltios el año pasado. Pero adivina qué, nunca funciona como se esperaba. Cualquier voltaje que elegí, lanzó a 12 voltios. Tanto tiempo fue poniendo en su caja hasta que me
DC Monkey

DC Monkey

¿Nunca se aburran de las mismas cajas de proyecto viejo?El Altoids menta lata o Radio Shack cajas proyecto plástico se utilizan comúnmente como casos.Hay muchas otras creativas e interesantes alternativas hacia fuera allí.Para este proyecto, utilizam
Un automático de seguimiento solar motorizado ventana ciega adaptación utilizando Arduino

Un automático de seguimiento solar motorizado ventana ciega adaptación utilizando Arduino

Cuenta edificios de 20-40% del total de energía utilice en los países desarrollados. Cortinas de ventana (o persianas) pueden ayudar a reducir la energía del edificio uso y mejorar el confort visual (es decir, reducción de fulgor y aumentar la luz de
Altoids Solar/Dinamo emergencia cargador

Altoids Solar/Dinamo emergencia cargador

tengo varios bancos de alimentación USB, pero quería algo que funcionara en un apagón total y en una situación bajo/sin luz o para camping etc, así que pensé ¿por qué no hacer uno en una lata Altoids?Hay un montón de Altoids fresco cargadores ya haci
Altavoz de coco

Altavoz de coco

altavoz llega montado en una cáscara de coco vacía. Segunda vida para la cáscara, mejor sonido por el altavoz.Paso 1: Materiales reunir Un orador. diámetro de 2", que utilizaba para escuchar a la salida de unos experimentales amplificadores destinado
¿Arduino: una manera más fácil de trabajar con siete exhibiciones de segmento

¿Arduino: una manera más fácil de trabajar con siete exhibiciones de segmento

tener programación código de apuro para el siete segmento de muestra? Bien hicieron los 4511 para facilitar las cosas un montón. Qué el 4511 es toma un valor entrada binaria de 4 dígitos (unos y ceros) y la convierte en un valor decimal en un display