Medidor de RPM de Alto Suzuki (2 / 5 paso)

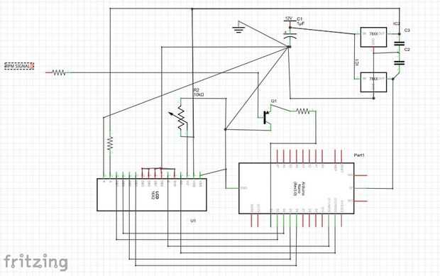
Paso 2: Diagrama del circuito y PCB

aquí adjunto un archivo de diseño de diagrama y pcb. fue diseño usando software de rastreo de Dip. Adjunto archivo pdf de fácil impresión. Si no necesita ese software. puede conectar este circuito a ignición en línea. entonces metro fue obra sólo cuando arrancas el motor.

Artículos Relacionados

DIY LED Tachomter (medidor de RPM)

DIY LED Tachomter (medidor de RPM)

este es mi proyecto de LED. Un tacómetro de LED para mi 1977 PEUGEOT 504.Paso 1: Construir el circuito Este es el circuito que usé en mi proyecto. Uno sencillo que me cuesta cerca de 35 libras egipcias para los componentes (< 6 dólares estadounidense
La energía de su hogar y taller con vapor

La energía de su hogar y taller con vapor

primero gracias por leer mi instructable. Se trata de una obra en construcción, iré añadiendo más y más a este instructable sobre cómo construir un vapor impulsado por turbina y planta eléctrica para su hogar. Como siempre si encuentras cualquier err
Hélice accionado Skate

Hélice accionado Skate

Skateboarding obtiene más emocionante como un motor de avión modelo al final de una tabla de skate de la correa.Tuve un buen rato con este proyecto. Era algo fácil de poner junto y un montón de diversión para probar. Espero jugar más con él y puede a
Mini torno Motor actualizar (trifásico, sin escobillas DC)

Mini torno Motor actualizar (trifásico, sin escobillas DC)

Tengo un mini torno chino y tiene el habitual problema de romper motores y circuitos de control.Mi torno es necesario un nuevo circuito de control en £90 y un nuevo motor en £86. Ambos + P & P.http://www.arceurotrade.co.uk/Catalogue/Machine-spares/C3
Cómo convertir sus viejas botellas de licor en lámparas de escritorio

Cómo convertir sus viejas botellas de licor en lámparas de escritorio

este tutorial es una guía para la creación de un hogar bien hecho eléctrico. Yo soy de ninguna manera responsable por sus quemaduras eléctricas, rodajas de dedos o arruinar tu florero favorito de madres como práctica. Dicho esto, cada paso se describ
Usando el TB6612FNG Dual Sparkfun Motor Driver 1A - guía del principiante

Usando el TB6612FNG Dual Sparkfun Motor Driver 1A - guía del principiante

como un principiante, me esforcé por encontrar un sistema de ventanilla de instrucciones para poner en marcha con Motor Driver 1A TB6612FNG Dual de Sparkfun.  Este tablero de conductor del motor arranque es excepcional, es bien pequeño, pero necesita
Servo controlado coche calibres

Servo controlado coche calibres

Este instructable fue creado en cumplimiento de la exigencia de proyecto de la Makecourse de la Universidad de South Florida (www.makecourse.com).Mi nombre es Andrew Smith y este instructable ir aunque un proyecto que hice durante mi estancia en la U
IoT NFT sistema Aquaponic Controler con WebApp (Intel Edison y Node.js)

IoT NFT sistema Aquaponic Controler con WebApp (Intel Edison y Node.js)

AcuaponiaAquaponic combina la acuicultura (cultivo de pescado) con hidroponía (cultivo de plantas en agua). Excretar el pescado se descompone por las bacterias a nitratos que son absorbidos por las plantas como nutrientes y ley de raíces de la planta
Robusteza uno mismo-equilibrio simple con Galileo Gen 2

Robusteza uno mismo-equilibrio simple con Galileo Gen 2

Después de voluntariado en el local mini-Maker Faire y obtener una oportunidad de jugar con la placa Intel Galileo Gen 2 Arduino, estaba motivado para encontrar un proyecto de fábrica para mí. Después de un estudio rápido de las opciones y mis intere
Lámpara de la noche

Lámpara de la noche

aquí es la lámpara de noche que es reciclada de la basura. Es muy fácil y puede hacerlo en 30 minutos. También el precio es muy bajo.Materiales necesariosUn alambre largo rígidoLEDResistenciaUn casquillo de musquito repelenteConexión de los cablesBat
Creación de un ventilador en movimiento lento para Videos de música, películas, escenario muestra y efectos

Creación de un ventilador en movimiento lento para Videos de música, películas, escenario muestra y efectos

si han visto una película noir oscuro o incluso de los 90 usted puede haber notado esos ventiladores oscilantes impresionantes que sale de la bruma o mover como elocuentes siluetas en la pared del vídeo de la música de baile.  En Ridley Scott Blade R
Ataque relámpago: El Bluetooth controlados 110lb Robot de combate.

Ataque relámpago: El Bluetooth controlados 110lb Robot de combate.

Todos amamos ver 'Robowars' un serial televisivo. El puro sonido del metal chocando contra metal, robots se arrojó sobre por la aleta de la arena, chispas lanzándose por el Dead Metal, siendo desfilaron alrededor de Killalot, que quemaron un poco y t
Controlador de ventilador de la CPU con PIC

Controlador de ventilador de la CPU con PIC

controlador de ventilador de la CPU con PIC 16F877Aregulador de ventilador de la CPU 4 pines utilizando el microcontrolador PIC16F877A.Ajustar el generador PWM de 25 khz, medidor de RPM, interruptor de velocidadenlace: http://www.edaboard.com/thread2
Hacer un cuchillo rápido de un dedo de embrague

Hacer un cuchillo rápido de un dedo de embrague

dedos de acero del resorte una docena rodean la placa de presión del embrague de un automóvil.Aquí es cómo hacer un bonito cuchillo de uno de los dedos de acero del resorte en pocos minutos.Cuenta con un mango largo agradable así que puedo usar como