Paso 5: Construir la matriz de LED












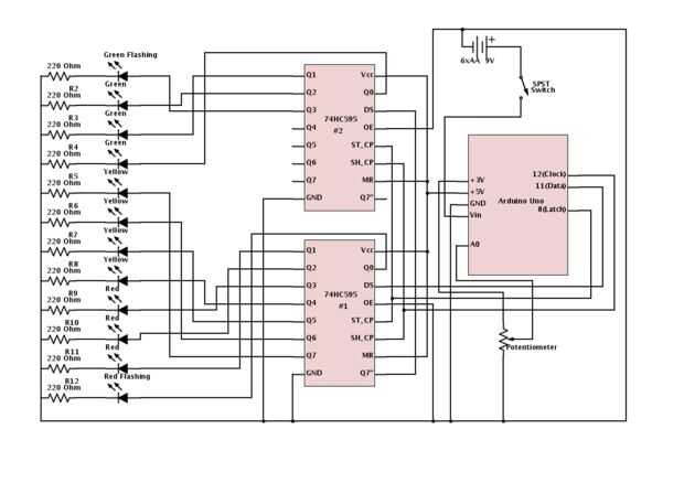
Empecé colocando las resistencias ya que están en el borde y establece el espacio para los LEDs. Las piernas de la tierra de las resistencias se atan para recoger. Luego soldar el LED al lado de las resistencias. Las tomas para el 595 se colocan cerca de los LED que se controlan. Yo no he trabajado mucho con el tablero de PC y no me dejo mucho espacio. Si tienes un cable de cinta que aquí recomiendo. Si tuviera que volver a empezar es lo que yo usaría. Antes de conectar todo junto he añadido lleva tiempo flexible, con clavijas compatibles del encabezado de Arduino, a la Junta como corbata en nodos para GND y + 5V. Con todo en su lugar, siga el diagrama del circuito y todas las conexiones 595. Tenga cuidado cuando los bancos entre la espalda y el frente de la JCP. Había hecho un par de conexiones cuando empecé antes de que noté que había cambiado de puesto los pasadores y tuvo que desoldar y volver a empezar. Los cables de datos, reloj y pasadores de cierre deben largos y extremos compatibles de la rúbrica de Arduino.
Con el circuito de LED completado, decidir si el pote y el interruptor pueden conectarse ahora. Si tienen que caber en el recinto desde el exterior entonces probablemente tendrás que esperar a que se puede fijar en el recinto de cable en. Si no conecte conductores de Arduino a la olla y cablear el interruptor de la batería. Usted puede necesitar unir diferentes cables al interruptor y transformador para hacerlos compatible con Arduino. Fue capaz de añadir conduce a la olla, pero tuvo que esperar que agregar el conmutador.
Cuando hayas terminado Asegúrese de probar otra vez antes de pasar.