Paso 2: Diseño de circuitos



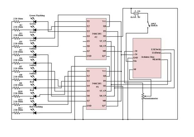
El 74HC595 son registros de desplazamiento serie-paralelo-salida. Esto significa que puede usar tres pines en el microcontrolador para enviar los bytes de datos en serie (un bit tras otro) a los 595 que entonces se aplica a cada bit a los pines de salida y luego salidas de esos bits en paralelo (todos a la vez). Cuando usted cadena de 595 ahora puede enviar dos bytes de datos y la primera 595 luego pasa el primer byte en el 595 segundo y ambos ejecutan todos los 16 bits a la vez.
* Suficiente faffing acerca, permite romper este circuito. Comenzando con el Arduino, estamos utilizando 3 pines digitales para controlar la 595. El pin 8 es la clavija de enganche que tiene que las salidas constante mientras usted escriba nuevos datos y está conectado al pin 5 en ambos 595. PIN 11 se utiliza para transmitir los datos en serie y está conectada a la clavija 3 en la primera 595 sólo. El pin 12 es el reloj que pulsos a enviar cada bit, y está conectado a la clavija 6 en ambos 595.
El pin de salida de 5V está conectado a los pines 1 y 7 en ambos 595. Los motivos de pin GND los cinco "trozos" del circuito.
* El potenciómetro toma 3.3V de Arduino y corre hacia atrás a la tierra del Arduino. El barrido o la salida, está conectado con el primer pin analógico en el Arduino, A0. No sé el valor del bote ya que es un rescate pero es bastante pequeño en tamaño y hechas de plástico por lo que no puede ser nada loco.
* La fuente de energía es 6 baterías del AA, proporcionando ~ 9V, en un soporte que se utiliza un clip de batería de 9V como conductores. Los terminales positivos pasan a través de un pulsador SPST al pin de Vin en Arduino. El plan es utilizar pilas recargables para cortar costes de funcionamiento.
En el de 595 los pernos que no he abordado son 3, 4, 8 y las salidas. PIN 3 en el #1 se conecta con el Arduino, como hemos comentado anteriormente, pero en #2 lazos al pin 8 en la primera 595. Pin 8 queda desconectado en #2. En ambos 595 pin 4 se conecta a tierra. Las salidas, como Q, son bastante sencillos. a partir de Q0 en el rojo LED parpadeante y terminando con el verde intermitente LED colocado en la Q3 en #2 y #1.
* La matriz de LED es simplemente un arreglo paralelo, un LED y el resistor por fila. Todas las resistencias de atan a la tierra común. El tamaño de la resistencia necesitada depende de las especificaciones de tus LEDs específicos. Usar R = V / I, donde R es el tamaño de resistencia necesitada, V es el voltaje que pasa por el LED (5V si usa Arduino), y I es la corriente aceptable para los LEDs. Resistencias de 220 Ohmios funciona bien para la mayoría de los LEDs de 5mm.