Paso 11: Los esquemas y los soportes

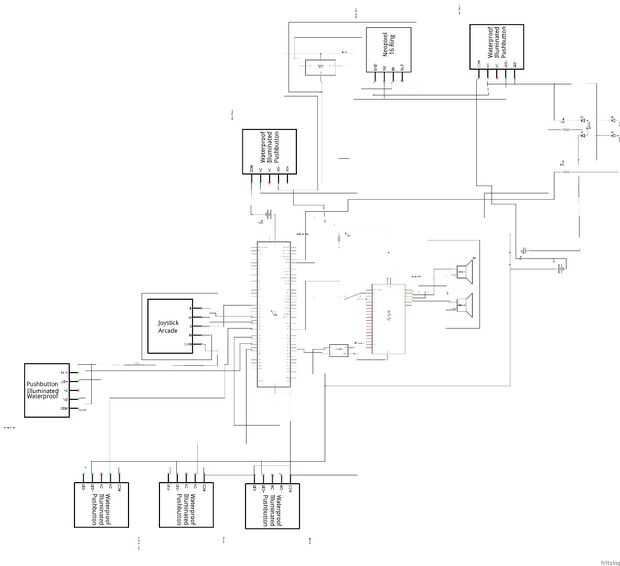
Usé Fritzing para mi colocación de componentes y esquemas, he adjuntado el bosquejo de ambos y un JPG del esquema caso usas algo otra cosa se puede usar la imagen.
El cableado es bastante recto hacia adelante, utilizan algunos encabezados para cada una de las conexiones a la debida y soldar los cables a las cabeceras para hacer un arnés de pseudo. También imprimí un soporte para sostener el sonido FX PCB a la debida para mantenerla limpia.
El sonido FX PCB se une a la debida usando RS232, puerto 3 de la serie. He encontrado un error que no pude pasar en el código de FX de sonido pasando de UNO a la deuda. El reset inicial nunca completaría así en mi código he quitado el paso y no han tenido un problema. Si alguien encuentra la causa para esto y puede proporcionar la solución le agradecería, no me gusta no tener la capacidad de restablecer la placa de sonido FX. En el lado positivo en más de 20 + horas de funcionamiento nunca he tenido un problema que me a restablecer la Junta necesaria.
Después de todo, está conectado al panel de control utiliza la cinta VFT para garantizar la debida a la parte inferior del panel de Control. También se puede utilizar cinta velcro si sientes la necesidad de remover de vez en cuando.
Todos los titulares de la batería se unen con velcro por lo que pueden ser removidas para ser reemplazada o recargada.