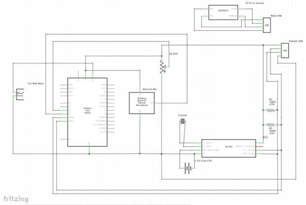
Paso 3: Construir el poder / circuito del Sensor de





El poder / circuito del Sensor está donde el reloj de tiempo Real, micrófono y USB puerto vivo. También tiene el enchufe de 12v que alimenta la lámpara entera. Hay un autobús de 12v, 5v bus y bus de tierra. El puerto USB, Mic, potenciómetro y RTC vivo entre 5v y tierra, mientras que el LED del disco vive entre 12v y masa.
El Mic es un micrófono de electret de Adafruit, el RTC es un kit de DS1307 y el sensor de temperatura es un TC74. Cada sensor funciona independientemente de los otros, y cada uno tiene un separado instructable sobre cómo configurarlas. Todo el código necesario para ejecutar se incluye en este instructivo en la sección de código.
DS1307:
TC74:
http://www.insdtructables.com/ID/thermostat-Microc...
Micrófono de electret:
https://Learn.Adafruit.com/Piccolo (esto muestra cómo utilizar el micrófono en un proyecto de visualizador de música)
Ponemos la totalidad de este circuito en un 64 por 82 mm perfboard, RTC, batería y micrófono en la parte inferior (como en la imagen). La parte superior de la Junta tiene las conexiones del circuito, que se oculta debajo del cuerpo de la lámpara.