Paso 2: Construir el circuito de coche LED





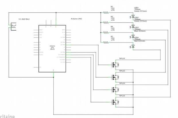
El circuito de impulsión de LED es el corazón de la lámpara - permite el Arduino cambiar las grandes corrientes necesarias para alimentar el LED. Cuenta con un hermoso 10W RGB LED y resistencias seleccionados de tal manera que el mapa de color es puro y flexible. Utiliza 4 transistores de Darlington TIP120 para cambiar los cuatro canales del LED.
RGB LED es realmente una RGGB LED, lo que significa que tiene 4 tintas separadas. En este circuito podemos tratar nuestra RGGB led como separar cuatro LEDS, cada uno conectado por su propia salida de Arduino modulada de ancho de pulso. Esto significa que podemos controlar cada canal (incluyendo los dos canales idénticos verdes) independientemente, lo que permite un mayor control del color. En la estrella del LED, cada canal tiene su propia entrada y su propia tierra. Como se puede ver en el diagrama del circuito, somos dibujo corriente de una fuente de pared de 12v, que luego pase a 4 resistencias que reducen el voltaje al voltaje de entrada adecuado para los LEDs. Solde las conexiones en la estrella del LED, y luego a 4 transistores darlington TIP120, la puerta de cada uno está conectada Arduino PWM salidas.
Hemos unido las resistencias de 10W para el cuerpo de aluminio de la lámpara para disipación de calor. Se recomienda que Conecte estas resistencias a algún tipo de disipador de calor independientemente de su diseño de la lámpara, como consiguen muy caliente después de unos minutos de luz. Hemos unido los 4 transistores de darlington a un tablero de 80 por 100 mm perf y adjunto un pequeño disipador de calor para cada uno.
Después de que se construye este circuito, podrás encender el LED de prueba de cada canal, si tienes una fuente de energía.