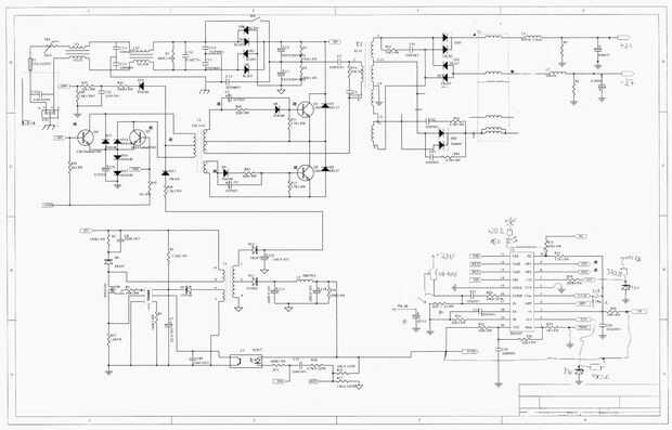
Laboratorio doble fuente de alimentación con protección hecha de equipo PSU (1 / 1 paso)

Paso 1: El circuito

No ver en la sección de salida. Sólo utilice todo lo que rodea el ic principal.

Artículos Relacionados

Doble fuente de alimentación reutilizando viejas grabadoras

Doble fuente de alimentación reutilizando viejas grabadoras

Soy una telecomunicaciones estudiante y necesita una fuente de alimentación para probar los circuitos que tengo que montar para las prácticas. Me gustaba ir a la Universidad cada vez que tenía que hacer una prueba. Entonces, encontré en casa dos grab
Banco Variable 3A fuente de alimentación con lectura digital en pantalla de color con ATMEGA8

Banco Variable 3A fuente de alimentación con lectura digital en pantalla de color con ATMEGA8

Estoy jugando con la electrónica desde que era un niño y numerosos circuitos. Pero aún ahora, no hice ninguna fuente de alimentación para uso general uso. Tan cansado de hacer fuente de alimentación para cada circuito, decidí aprovechar una estable f
Microsoft Kinect portátil fuente de alimentación con un presupuesto de tienda de dólar...

Microsoft Kinect portátil fuente de alimentación con un presupuesto de tienda de dólar...

Esta es mi opinión sobre una fuente de alimentación portátil conveniente para el Microsoft Kinect. No estoy diciendo es mejor que cualquier otra persona, sólo que su barata. las células del "Banco de energía" se clasifican en ~4.7vDC 1800 MA. Qu
Cómo hacer un laboratorio ATX fuente de alimentación

Cómo hacer un laboratorio ATX fuente de alimentación

Siempre he tenido la necesidad de tener una alimentación decente para mis experiencias, en lugar de utilizar siempre adaptadores diferentes, barato y débil. Desde que tuve poder unas unidades de ordenadores antiguos colocación alrededor de la fuente,
Protoboard fuente de alimentación con un interruptor deslizante para seleccionar la tensión

Protoboard fuente de alimentación con un interruptor deslizante para seleccionar la tensión

tablero de alimentación es una opción para estar conectado directamente con su tarjeta.  Esta fuente de alimentación proporciona 5V y 9V que se seleccionan con una diapositiva interrupción e indicaron por un verde y un LED rojo respectivamente.http:/
Fuente de alimentación de bricolaje Banco Variable

Fuente de alimentación de bricolaje Banco Variable

fuente de alimentación es una herramienta esencial máxima para un laboratorio de electrónica. Viene bien para encender varias aplicaciones y circuitos. Sin embargo una tensión fija, fijada la fuente de alimentación de corriente es suficiente para las
Guía de un fabricante de fuentes de alimentación ATX

Guía de un fabricante de fuentes de alimentación ATX

Hay toneladas de Instructables de cómo hackear un desecho ATX (PC) fuente de alimentación (PSU) en una fuente de alimentación del Banco de laboratorio. No es uno de ellos.Mi observación es que mayoría de creadores, hackers y científicos locos no sigu
Fuente de alimentación variable 0-12V, control digital, utilizando un Laptop pared verruga & Ardunio

Fuente de alimentación variable 0-12V, control digital, utilizando un Laptop pared verruga & Ardunio

el objetivo de este Instructable es un funcional Ardunio controlada digital, fuente de alimentación. Hemos probado la fuente y controlador para que puede agarrar su vieja fuente portátil (voltaje de salida entre el 14 y 20V), conéctela a la tubería d
Fuente de alimentación linear ajustable

Fuente de alimentación linear ajustable

Compré una fuente de alimentación con selector de voltaje variable de 3 a 12 voltios el año pasado. Pero adivina qué, nunca funciona como se esperaba. Cualquier voltaje que elegí, lanzó a 12 voltios. Tanto tiempo fue poniendo en su caja hasta que me
Cómo fabricar una caja de almuerzo en una fuente de alimentación 0-12V dual.

Cómo fabricar una caja de almuerzo en una fuente de alimentación 0-12V dual.

Prefacio:Hola y Bienvenidos a mi Instructable.Soy un estudiante de primer año de ingeniería electrónica y se dio la oportunidad de construir una fuente de alimentación. Inmediatamente estaba había fascinado pero quería hacer algo más que un funcionam
Fuente de alimentación ATX a fuente de alimentación de sobremesa

Fuente de alimentación ATX a fuente de alimentación de sobremesa

me gustaría empezar diciendo este es mi primer instructable.Este proyecto fue iniciado por mí buscando algo que hacer con un ordenador viejo que tengo que es fecha y virtual inútil. VI unos PSU (fuente de alimentación) para fuentes de alimentación su
Tutorial de fuentes de alimentación

Tutorial de fuentes de alimentación

tutorial de fuentes de alimentación.     Este artículo fue reunido para desarrollar una fuente de alimentación para un Paia 2720 VCO.   Requisitos: 1.) bi-Polaridad Dual 9 VDC 2.) Bi-polaridad dual 5 VDC 3.) Variable 0 a 5 VDC 4.) 18 VDCPaso 1: El ci
Fuente de alimentación de voltaje variable

Fuente de alimentación de voltaje variable <>

Gearbest.com vende un kit para construir una fuente de alimentación que sea útil para Arduino y protoboard y frambuesa Pi proyectos pero las instrucciones no está en inglés. Aprovecho paso a paso cómo construir el proyecto y por menos de $15, usted p
Cómo hacer una fuente de alimentación de baja potencia de desechados reproductor de DVD

Cómo hacer una fuente de alimentación de baja potencia de desechados reproductor de DVD

¿Hartos de juntos grabando baterías o hacer tagliatelle de cables para proporcionar algunos voltios para su proyecto electrónico? Sí tienes!En vez de comprar una nueva fuente de alimentación (fuente de alimentación) por qué no utilizar un tablero de