Paso 3: Empezar a poner las piezas en el tablero




Saber que empezar a poner las piezas
En primer lugar usted necesita poner la toma de microcontroladores en el tablero y Soldándola.
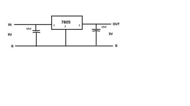
Entonces usted necesita ajustar el regulador de voltaje 7805, condensadores y led.
A continuación, establezca los encabezados femeninos al lado de las clavijas que desea utilizar en el futuro.
Puede establecer el encabezado para el oscilador de cristal, para cualquier momento que desee que puede moverlo.
Coloque las tapas de uf 0,1 entre vcc y Gnd de tu microcontroladores para limpiar ruidos de energía tanto como sea posibles.
Establecer algunos encabezados femeninas para sus programadores.
Decidí manejar dos diferentes manera para programar mi microcontroladores, FTDI y usar Arduino como ISP.
Luego usé un led para cada microcontrolador así que usted puede averiguar si los microcontroladores están trabajando o no subiendo un parpadeo del bosquejo sobre sus chips.