Paso 2: Diseño de jolliCube - circuito de control electrónico









Aunque la construcción de las capas de la matriz de LED es desperdiciador de tiempo, no es difícil completarlos.
Más aficionado de nivel de entrada puede encontrar dificultad para construir el circuito electrónico para controlar el cubo del LED especialmente problemas del circuito cuando las cosas van mal.
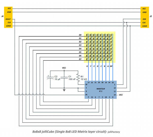
Para nuestro circuito electrónico, básicamente utilizaremos el MAX7219 ICs para el cubo. Se revisaron los proyectos similares en Instructables, pero son incapaces de encontrar ninguna con este IC para conducir cubos LED. El IC MAX7219 originalmente esta diseñado para manejar LED de 7 segmentos muestra. Mediante el diseño de nuestro circuito electrónico LED cubo basado en este IC, el número de componentes para cada capa de matriz de LED es muy mínimo.
Cada capa de la matriz de LED 8 x 8 será conducido por el circuito electrónico utilizando los siguientes componentes;
a. 1 IC x MAX7219
condensador electrolítico de b. 1 x 10uF 16V
condensador de cerámica de c. 1 x 0.1uF
resistencia de d. 1 x 12Kohms (1/4W)
e. 1 x 24 pines DIP IC zócalo
Por lo que para nuestros 8 x 8 x 8 LED cubo, tenemos 8 juegos de los componentes anteriores. Tenga en cuenta que puede que deba elegir un valor de resistencia diferente a trabajar con el LED que está utilizando. Este resistor es limitar la corriente máxima que el MAX7219 IC suministrará a los LEDs.
Para aficionado de nivel de entrada, tratamos de simplificar el diseño de circuito electrónico con diseño modular para que cada circuito deberá conducir una capa de matriz de LED 8 x 8. Usted puede ver el diagrama de bloques del circuito a ver cómo está conectado el circuito.
Para reducir el error y el esfuerzo para conectar el circuito electrónico, hemos diseñado un PCB que contiene 4 de estos circuitos. Así que hay 2 de estos PCB para construir un cubo de LED de matriz de LED 8 x 8 de 8 capas. Todos los componentes utilizados son componentes por-agujero.
Nuestro diseño no tiene ningún particular microcontrolador incrustado en nuestro circuito electrónico para controlar el cubo. Que deberá ser impulsado externamente por cualquier microcontrolador vía interfaz de SPI. Para este proyecto, utilizaremos la popular placa Arduino (Nano) para conducir nuestro cubo con 3 cables de señal (SPI) y 2 cables de alimentación (5 V DC). Puede utilizar la Arduino Uno más comúnmente disponibles en lugar del Nano ya que son muy similares excepto por el factor de tamaño. También puede adaptar los códigos de programa que vamos a usar para trabajar con cualquier otro microcontrolador que desea conducir el cubo del LED.
Tenga en cuenta que todos los componentes deben ser soldadas a la parte inferior de la PCB. Mirar hacia fuera para las etiquetas de la pantalla de seda (parte inferior) o (superior) en la PCB. Una de las fotos de arriba muestra uno de nuestro PCB con sólo uno de los circuitos con los componentes electrónicos necesarios.
Cada circuito modular está demarcada por la línea de serigrafía blanca que atraviesa el PCB. Con el fin de conectar entre sí los circuitos individuales, tenemos que usar jumper cables/alambres para soldadura de un circuito en el circuito adyacente. La foto de arriba muestra los cables de puente que utiliza. Se hacen de las piernas de cátodo cortadas en Asamblea parte 1 paso 6. Necesitamos 5 cables de puente para conectar un circuito al circuito adyacente. Así que para cada PCB, tenemos que soldar cables de puente 15. Las fotos de arriba muestran que la ubicación del puente conduce a ser soldado en los primeros y segundo PCB (resaltado en rojo).
Cubos de LED más se construyen como un todo así que si un LED fueron al fracaso en el medio sería muy difícil acceder y arreglarlo. Para nuestro diseño de cubo del LED, utilizamos un encabezado femenina 5-forma ángulo soldadas a la primer PCB y un encabezado masculino 5-forma ángulo soldado a la PCB segundo. Esto es para permitir que los 2 PCB con capas de matriz de LED para conectarse entre sí para trabajar así como para separar aparte de facilidad de acceso para reemplazo del defectuoso LED alrededor de la mitad del cubo de LED si es necesario.