Paso 4: Diseñar la PCB



Hemos diseñado nuestro PCB basado en emisores de infrarrojos y detectores de Sparkfun. El diámetro interno de la placa debe coincidir con el diámetro interno visible de la pieza de silicona, que es 68 m m (2,68"). Su diámetro exterior debe coincidir con el diámetro exterior de la parte de silicona, 90mm (3,54"). Esto le da un bonito anillo circular.
Luego ponemos cuatro agujeros para tornillo #6 distribuida uniformemente alrededor de la placa. La ubicación de los agujeros en la PCB que coinciden con la ubicación de los orificios en la parte de silicona.
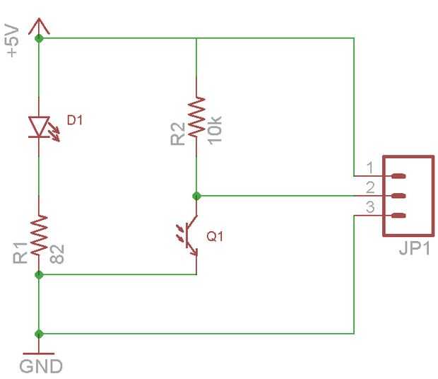
Otra característica importante de los PCB es la ubicación del emisor de rayos infrarrojos y detector, que debe ser a través de y apuntando el uno al otro. D1 es el emisor de IR y Q1 es el detector de IR en los diagramas. (ver imagen #2 y #3)
Adafruit tiene una gran lista de fabricantes del PWBy una página poco aseada donde puedes calcular y comparar el costo de la PCB de la mayor parte de ellos.
Puede descargar nuestros archivos de Eagle para acelerar las cosas para arriba, ver anexo "EagleSquish.zip" archivo.
Si no tienes la oportunidad de hacer un PCB personalizado, todavía puede hacer este diseño utilizando un anillo de madera contrachapada o de cartón fino pero duro. Usted quiere el anillo para ser lo suficientemente duro para que se aplica presión igualmente en la membrana blanda para mantener en su lugar. Entonces puede utilizar tablas perf pequeño pegados a su anillo para crear el mismo circuito que definimos en los esquemas. (ver imagen #3).