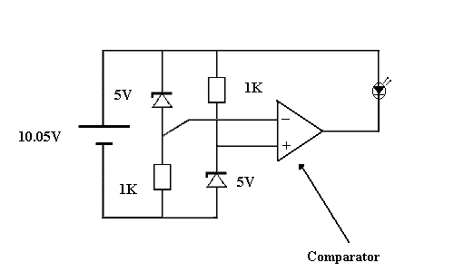
Interruptor controlado por tensión (2 / 5 paso)

Paso 2: Montar el circuito

En el montaje del circuito se puede modificar el circuito lo que quieras. Por ejemplo no fui tan exacto como el esquema.
Sólo tienes que seguir el siguiente diagrama.
En caso de que no sabes cómo funciona el comparador la heres un enlace que muestra cómo.
Home.Cogeco.CA/~rpaisley4/Comparators.html

Artículos Relacionados

¿Interruptor controlado por ordenador

¿Interruptor controlado por ordenador

desea cambiar un tomacorriente entre encendido o apagado con el ordenador? ¿Por qué hacerlo con un mando a distancia? Suena nice - sé. Pero lo mejor es que puede hacerlo todo, y esto le dirá cómo..."¿Por qué querría encender una toma de corriente o i
Doble interruptor controlado por Android

Doble interruptor controlado por Android

Nota: Este proyecto funciona con red eléctrica y sólo debe ser realizada por constructores experimentados y conocedores que son conscientes de las precauciones que deben tomarse durante el cableado de alimentaciónEste pfodApp interruptor doble contro
Sintetizador de música analógico controlado por MIDI

Sintetizador de música analógico controlado por MIDI

Para mi proyecto de diseño senior de ingeniería eléctrica, decidí diseñar un sintetizador de música analógica con control MIDI. Tengo que admitir, esto era lo que quería hacer desde la escuela secundaria y fue mi objetivo como músico, artista, bricol
Hércules: El movimiento controlado por Android Robot

Hércules: El movimiento controlado por Android Robot

cuando estaba en el 8º grado, estaba intrigado mientras se reproduce el movimiento de lo juegos en Nokia 5800. Me emocionó, cómo puedo controlar el coche de carreras sólo inclinando el teléfono. Solía soñar que este mismo coche en el mundo real.Ahora
Arduino controlado por dimmer luz

Arduino controlado por dimmer luz

ADVERTENCIA: ¿ Algunas personas tratan de construir esto con un optoacoplador con coz zerocrossing derecho 'es mejor'? Algunos se dicen incluso en tiendas de electrónica es mejor utilizar tal un optoacoplador. MAL. Esto sólo funcionará con un optoaco
Controlado por Twitter alimentador del animal doméstico

Controlado por Twitter alimentador del animal doméstico

Un gran proyecto para los dueños de mascotas ocupados. Este alimentador del animal doméstico controlado por Twitter automáticamente distribuye alimentos en respuesta a la actividad en su cuenta de Twitter. El proyecto es controlado por un Arduino y e
Arduino Robot V2 (rápido) también controlado por voz

Arduino Robot V2 (rápido) también controlado por voz

Esta es mi segunda versión de mi robot arduino después "Construir tu primer robot". Mi segunda versión es un poco complicada en comparación con mi primer uno pero ofrece mejor. En este instructable voy para mostrarle cómo construir un robot rápi
Arduino para principiantes, ahora con datos de trazado, controlado por Android, No codificación requerida, No requiere de soldadura.

Arduino para principiantes, ahora con datos de trazado, controlado por Android, No codificación requerida, No requiere de soldadura.

IntroductionEste instructable muestra que cómo puede leer y escribir los pines digitales de tu Arduino Uno y leer los valores de los pines analógicos todo controlado desde tu móvil Android sin hacer cualquier codificación. Este proyecto es plug and p
El Hexachord, un instrumento Musical controlado por Arduino

El Hexachord, un instrumento Musical controlado por Arduino

El año pasado, con la fecha límite de la zona de Bahía Maker Faire, he creado un nuevo instrumento llamado el Hexachord. Era un montón de diversión, un gran éxito, y he tenido la oportunidad de hacer una serie de conversaciones sobre ello. El desafío
Sistema de riego controlado por frambuesa Pi

Sistema de riego controlado por frambuesa Pi

Cada primavera mi esposa obtiene realmente ambiciosa y plantas de un huerto grande. Como el verano se alarga, ambición vueltas a la pereza y por desgracia de que muchas de las plantas mueren una muerte lenta y fulminante negligencia debido a la falta
Coche de Control remoto controlado por Wi-Fi sin microcontrolador

Coche de Control remoto controlado por Wi-Fi sin microcontrolador

Se trata de un coche de control remoto controlado de Wi-Fi con cámara que puede ser conducido a través de internet. El coche RC es muy singular ya que está utilizando un enrutador inalámbrico y eliminar la necesidad de un microcontrolador.Paso 1: Est
Interruptor controlado Scalextric No3

Interruptor controlado Scalextric No3

Este instructable muestra cómo más desarrollado el un interruptoroperado control scalextric (ver interruptor controlado Scalextric No2) para permitirjóvenes con discapacidad que no pueden funcionar un scalextric tradicionalcontrolador para usar un ju
Cómo hacer fotografía Time-lapse inteligente controlado por Arduino

Cómo hacer fotografía Time-lapse inteligente controlado por Arduino

proyecto: fotografía Time-lapse dinámica sensible a la luz y ajustablePor Holden Leslie-BoleCosto aproximado: $70 sin la cámaraHe estado haciendo alguna fotografía Time-lapse con mi GoPro HERO3 un rato ahora, y he conseguido algunas imágenes grandes.
Brazo robótico controlado por 1Sheeld

Brazo robótico controlado por 1Sheeld

Utilizando 1Sheeld, mando un Arduino powered brazo robótico con su Smartphone/Tablet.Paso 1: lo esencial Se requieren los siguientes elementos, o equivalente.1) cualquier Arduino powered brazo robótico. En la foto es el Lynxmotion AL5D2) Lynxmotion B