Paso 2: Dos cables de 8 bits
cables de 8 bits dos
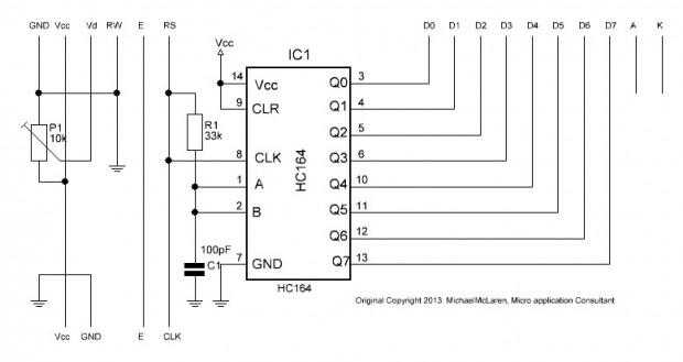
Los circuitos anteriores están todos para el LCD en modo de 4 bits ya que es el más de uso frecuente modo. Sin embargo, Mike MacLaren me señaló a un circuito que utiliza un shiftregister (un 164 o un 595) que utiliza dos cables y completo direccionamiento de 8 bits de la pantalla LCD

El circuito de arriba usa un shiftregister de HC164, pero el sitio de Mike también tiene un circuito para un 595 y un programa piloto para un PIC y un microprocesador de Arduino. Este circuito no atender para software de control de luz de fondo, pero tiene control completo de 8 bits, si necesita