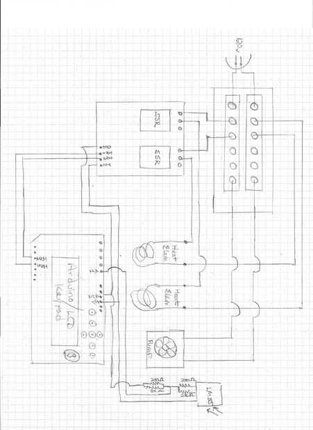
Inmersión cocina controlada por Arduino (12 / 13 paso)

Paso 12: Esquema

Los circuitos en este proyecto están en el dibujo adjunto.

Artículos Relacionados

Cortina controlada por Arduino

Cortina controlada por Arduino

En este nuevo proyecto, combinación electrónica y mecánica y había hecho un rodillo cortina controlada por Arduino.¡ Disfrute de hacer!Paso 1: Planificación del circuitoPara este circuito deberá:1 potenciómetro rotatorio2. Arduino Uno3. 12V adaptador
Dirigible de hidrógeno controlada por Arduino-Radio

Dirigible de hidrógeno controlada por Arduino-Radio

detalles de la construcción del dirigible control remoto construí. Aquí está un breve vídeo de su vuelo:El dirigible está controlada por un transmisor en el suelo, operado por un humano. Hay tres control palancas: una para cada motor y para el servo
Toma web controlada por Arduino

Toma web controlada por Arduino

Hice una toma Web controlada por Taiwán clonado Arduino, que se basa por Arduino Pro Mini y ESP8266-1, el sitio oficial de este clon es: Webduino = x Arduino WebPodemos programar por simple HTML, CSS y JavaScript, también tiene medios de formación en
Escáner Rgb Led Pwm lámpara controlada por Arduino Nano

Escáner Rgb Led Pwm lámpara controlada por Arduino Nano

Reciclado escáner rgb led lámpara pwm controlado por Arduino NanoPaso 1: Resultado FinalEsto es lo que obtienes si sigues este instructable.Paso 2: Buscar una impresoraBusque un hp roto todo en una impresora. (Otras marcas también pueden tener las pi
Voz controlada por Arduino iluminación - Autobot

Voz controlada por Arduino iluminación - Autobot

En este instructable caminaré a través del proceso y el código para hacer su Arduino y tu PC en un sistema de comando de voz controlado para las luces o sobre cualquier otra cosa que se puede controlar con un Arduino. La iluminación de voz controlado
Casa inteligente controlada por Arduino

Casa inteligente controlada por Arduino

Este instructivo fue escrito por el evangelista PubNub Ian Jennings . Historia de Ian camina a través de su proceso de construcción de un modelo de casa inteligente controlado por Arduino desde cero.--En septiembre, nuestro fundador Stephen y yo está
Impreso de robot aspiradora de piso - controlada por Arduino con protector de motor, con ruedas de motor

Impreso de robot aspiradora de piso - controlada por Arduino con protector de motor, con ruedas de motor

robot aspiradora de piso. Versión #17. Intento de hacerlo más simple.El robot se mueve por pequeños motores de DC motor-las ruedas incorporadas impresión en impresora 3D:http://www.thingiverse.com/Thing:225576Componentes:Arduino con motor-motor-escud
Gabinete de servidores a deshidratador del alimento, controlada por Arduino

Gabinete de servidores a deshidratador del alimento, controlada por Arduino

teníamos que hacer un montón de alimento crudo y a menudo eso significa deshidratación.  Para lograr esto hemos encontrado un servidor gabinete y había convertido en un deshidratador.Este fue un proyecto bastante simple y produce gran cantidad de alm
Voz controlada por Arduino robot

Voz controlada por Arduino robot

Los zánganos son muy buenos juguetes y herramientas, pero generalmente no lo han hecho alguna habilidad extra. Me encanta volar cualquier modelo R/C y yo sólo quería hacer un drone de R/C que es un poco más inteligente que los modelos usuales. Por es
Tambor robótica controlada por Arduino

Tambor robótica controlada por Arduino

Durante años que he estado diciendo quien escucha iba a construir un tambor de robótico. Mayoría de la gente de se encogió de hombros indiferentemente. Construyó, mayoría de la gente tipo de Miró sobre él y transmitió la indecisión. Parecía que nadie
Cómo hacer una bici-luz controlada por Arduino

Cómo hacer una bici-luz controlada por Arduino

microcontroladores son herramientas muy poderosas para la exploración en el mundo eléctrico. En este tutorial vamos a usar tablero de Arduino Uno, y le mostraremos cómo programar una serie de funciones básicas en una luz de bici de la protoboard. Par
808 llavero cámara espía con detector de movimiento PIR controlada por Arduino chip

808 llavero cámara espía con detector de movimiento PIR controlada por Arduino chip

este proyecto describe cómo automáticamente tomar fotos con resolución de 1024 x 768 píxelesusando un modelo miniatura #3 808 llavero spycam con tarjeta microSD de 8GBaccionada por un detector de movimiento PIRy dirigido por la viruta de Arduino.Desp
Aire acondicionado web controlada por Arduino

Aire acondicionado web controlada por Arduino

HolaLa alta temperatura de este verano, me hacen pensar en este proyecto. Pueden ser similares en internet, pero no encontré.Este proyecto está basado en arduino y se ejecuta bien en tableros más grandes que UNO, que tiene memoria no tanto. Con esto
"La vaca del cielo Formidable" controlada por Arduino RC barco

"La vaca del cielo Formidable" controlada por Arduino RC barco

Lo que usted necesita:HC-06Esto te dará un rango de 30 pies hacia fuera. Después de eso, no se garantiza la conexión.L293DBarco de RCSi no compra este barco, asegúrese de comprar un RC barco de dos hélices y no timones.Placa de Arduino UnoSmartphone