Paso 9: Etapa de filtro analógico









Después de hacer algunas pruebas en el sistema, llegué a la conclusión de que el nivel de ruido es mayor que el nivel de señal. Utilizando sólo la amplificación y el filtro de software cortar sólo una pequeña parte del ruido, pero también le corte algunos de los datos útiles.
La solución a este problema es utilizar un filtro analógico antes de la PGA. Como vimos en los pasos anteriores, dos filtros deben ser implementado, un filtro bandstop de 50Hz para el ruido de la red y un filtro de paso bajo de 250Hz para el ruido de alta frecuencia (y anti-aliasing).
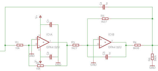
El diseño del filtro Bandstop:
Un segundo filtro bandstop de orden fue diseñado en base a la función de transferencia del filtro Hbs = H0 (s ^ 2 + w ^ 2) / (s ^ 2 + (w Q) s + w ^ 2), w = 2 * pi * fc y Q = fc/(fb), donde fc es la frecuencia central, fb es la anchura del stopband, H0 es la ganancia.
Puesto que el propósito del filtro es cancelar el ruido, y no la ampliación, H0 = 1, fc = 50Hz, fb = 2Hz. Para la implementación se utilizó una topología modificada de Bainter como se muestra en la segunda foto. La topología de Bainter tiene la ventaja de independencia correspondiente (el factor Q del filtro sólo depende de la ganancia, no la resistencia que opone a Sallen-key).
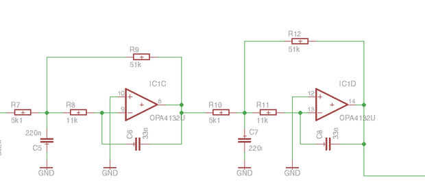
El diseño del filtro paso bajo:
A una orden del filtro de paso bajo se diseñó con dos segundas etapas filtro de orden: Hlp = H0 * w ^ 2 / (s ^ 2 + 2 * e * w * s + w ^ 2), w = 2 * pi * fc, donde fc es la frecuencia de corte y e es el coeficiente de amortiguamiento. He elegido un filtro con H0 = 1, fc = 250Hz, e = 1 parámetros. El tipo de filtro elegido fue la topología de retroalimentación múltiple (MFT). El filtro LP MFT es preferido, ya que tiene factor Q alto y pase de banda estrecha en relación con la topología de la Sallen-llave. El único inconveniente sería la señal de salida invertida, pero he usado 2 etapas, para que esto no era un problema.
Una onda senoidal barrida fue utilizado para probar el comportamiento general del filtro de entrada (última foto).